Foram encontradas 45 questões.
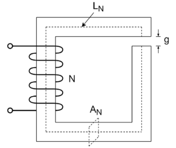
A figura abaixo apresenta um indutor com as seguintes características: área de seção transversal do núcleo \( A_N = \dfrac{1}{\pi}\, cm^2 \), comprimento médio do núcleo \( L_N = 20 \, cm \), permeabilidade relativa do núcleo magnético \( \mu_R = 2000 \) e número de espiras \( N = 100 \).

Desprezando os efeitos do fluxo de dispersão e de borda e considerando que \( \mu_0 = 4\pi \cdot 10^{-7}\dfrac{H}{m} \), o comprimento \( g \) do entreferro, para que a indutância desse indutor seja \( 50\, mH \), é de
Provas
Um solenoide com núcleo de ar, de comprimento de \( 20\, cm \), é constituído por 1000 espiras enroladas com diâmetro de \( 2/\pi \) metros.
Considere que \( \mu_0 = 4\pi \cdot 10^{-7}\dfrac{H}{m} \).
A indutância deste solenoide e a taxa de variação de sua corrente para que sua força eletromotriz autoinduzida seja de 24 V, são dadas, respectivamente, por
Provas
- Fundamentos de ProgramaçãoLógica de Programação
- Fundamentos de ProgramaçãoPseudocódigo
- Fundamentos de ProgramaçãoSimulação de Estruturas de Controle
Em uma linguagem de pseudocódigo, na qual o sinal “<-“ significa atribuir valor, o sinal “<>” significa diferente, o sinal “=” significa comparação e o operador aritmético MOD significa resto da divisão, foi escrito o seguinte algoritmo:
Algoritmo “Teste”
Var A, B, C, D, NA: Inteiro
Inicio
B <- 5
para A de 2 ate B faca
C <- 2
NA <- 0
enquanto (A <> C) faca
D <- A MOD C
C <- C + 1
Se D=0 entao
NA <- 1
fimse
fimenquanto
se NA = 0 entao
escreva (“ A = ”, A, “ “)
fimse
fimpara
fimAlgoritmo
Assinale a opção que indica os valores que serão impressos resultantes do Algoritmo “Teste”.
Provas
Sobre o PWM, assinale a afirmativa correta.
Provas
Em relação aos parâmetros dos MOSFET de potência na situação acima mencionada, assinale a afirmativa correta.
Provas
Considere um sistema de controle, cujo valor complexo da função de transferência de malha aberta F(s) é conhecida para duas frequências de interesse w1 e w2:

A partir dos dados desse sistema de controle, os valores da margem de ganho e da margem de fase, respectivamente, são
Provas
Considere que determinado sistema de controle é representado pela sua função de transferência de malha aberta N(s), dada por

Inicialmente, o valor do ganho do controlador K foi ajustado de forma a tornar o sistema em malha fechada criticamente amortecido.
Caso o ganho K seja ligeiramente aumentado, é esperado que o sistema tenha
Provas
Considere um sistema de controle com realimentação unitária, cuja função de transferência de malha aberta possui um polo na origem. Quanto ao erro de regime permanente ao seguir sinais do tipo degrau e rampa, esse sistema apresentará
Provas
A realimentação unitária é uma das estruturas de controle mais utilizadas para que um determinado sistema alcance o desempenho desejado.
Considere um determinado sistema de controle, composto de um controlador em série com uma planta, onde a saída da planta é Y(s) e a entrada do controlador é a diferença entre a referência do sistema R(s) e a saída da planta Y(s). Sabe-se ainda que tal sistema possui a função de transferência em malha fechada T(s), dada por
\( T(s)=\dfrac{1}{(As+1)} \), com \( A > 0 \)
Nessas condições, a função de transferência em malha aberta desse sistema é
Provas
Considere que determinado sistema de controle é representado pela sua função de transferência de malha aberta M(s), dada por

Com relação a estabilidade deste sistema, analise as afirmativas a seguir.
I. É independente do valor do parâmetro k.
II. É independente do valor do parâmetro a.
III. É independente dos valores dos parâmetros b e c.
Está correto o que se afirma em
Provas
Caderno Container