Foram encontradas 700 questões.

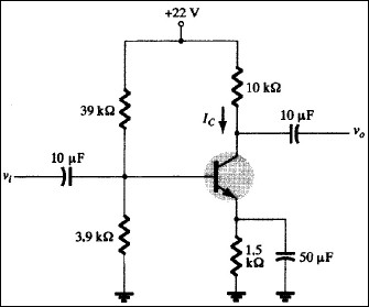
Considerando que, no amplificador eletrônico mostrado acima, !$ \beta !$ =hFE=hfe=140. Além disso, considere que todos os capacitores têm impedância desprezível na faixa de freqüência de funcionamento do circuito. Nessa situação, caso o circuito esteja corretamente polarizado na região ativa,
Provas
Disciplina: TI - Organização e Arquitetura dos Computadores
Banca: CESPE / CEBRASPE
Orgão: INPI
Com relação a microprocessadores, microcomputadores e seus componentes, assinale a opção correta.
Provas
Disciplina: TI - Organização e Arquitetura dos Computadores
Banca: CESPE / CEBRASPE
Orgão: INPI

R. J. Tocci e N. S. Widmer: Sistemas digitais: Princípios e Aplicações. 8.ª Edição. Person Education do Brasil.
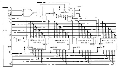
O circuito acima apresenta um exemplo de interfaceamento entre um microprocessador e circuitos integrados de memória RAM. Nesse circuito, a faixa de endereços abrangida pelo módulo 2 de memória vai de
Provas
Disciplina: TI - Organização e Arquitetura dos Computadores
Banca: CESPE / CEBRASPE
Orgão: INPI
Considere que um microprocessador possua um barramento de endereços com 16 linhas não-multiplexadas, de A0 até A15, e 8 linhas de dados, sendo este um microprocessador de 8 bits. Nessa situação, a quantidade máxima de memória que pode ser diretamente endereçada pelas linhas de endereço é igual a
Provas

Considerando que a tensão vi corresponde a uma tensão senoidal com freqüência igual a !$ \omega !$, a função de transferência do circuito H(j!$ \omega !$) é dada por
Provas

Com relação à figura acima, o circuito equivalente de Thevénin para o par de terminais indicados por vo contém uma fonte de tensão e uma resistência, respectivamente, de
Provas

R. J. Tocci e N. S. Widmer: Sistemas digitais: Princípios e Aplicações. 8.ª Edição. Pearson Education do Brasil.
A figura acima mostra um circuito seqüencial que utiliza flip-flops JK. A entrada do circuito é a entrada de clock do flip-flop 0, e a saída do circuito é a saída Q2 do flip-flop 2. Com relação a esse circuito, assinale a opção correta.
Provas

John P. Uyemura: Sistemas digitais: uma abordagem integrada. São Paulo: Pioneira Thomson, Learning, 2002.
Considerando o circuito lógico apresentado acima, que utiliza a tecnologia PLA para a implementação de uma função lógica, assinale a opção que apresenta uma expressão lógica correta para a saída h.
Provas
Considere a implementação de um circuito lógico com três entradas — A, B e C —, e uma saída — S. Nesse circuito, a saída deverá ser 1, caso as entradas A, B e C formem os números binários 011, 101, 110 e 111. Nessa situação, a expressão mínima, na forma soma de produtos, para a saída S, é igual a
Provas
No diagrama unifilar mostrado na figura abaixo, o gerador G1 alimenta uma carga na barra
por meio do elo de transmissão CA formado por cinco linhas de transmissão. A referência angular no sistema, em 0º, é adotada na barra-infinita, que tem magnitude de tensão igual a 1,0 pu. O gerador é representado por seu modelo clássico mostrado na figura. Nesse modelo, uma tensão interna com módulo constante é inserida em série a uma reatância transitória X’d. O valor dessa reatância é igual a 0,05 pu. Adicionalmente, o ângulo do rotor é aproximadamente igual à fase !$ \delta !$. Considere que as linhas sejam representadas somente por suas reatâncias séries, que todas as linhas apresentem reatância igual a 0,1 pu, e, ainda, que, para determinado ponto de operação do sistema, a tensão interna E’q do gerador seja igual a 1,1 pu e o ângulo do rotor em regime permanente, igual a 30º.

Considerando que ocorra uma falta trifásica balanceada na barra
do sistema mencionado no texto, com impedância de falta nula, julgue os itens a seguir.
I Durante o intervalo no qual ocorre a falta, a potência elétrica que flui do gerador para a carga é nula.
II Uma falta trifásica nessa barra, mesmo eliminada em tempo adequado para manter a estabilidade do sistema, provoca redução na potência mecânica do gerador.
III Considerando-se que, pelo critério das áreas iguais para análise de estabilidade, o tempo de eliminação do defeito seja correspondente a um ângulo !$ \delta !$C, é correto afirmar que o ângulo !$ \delta !$C é inferior a 180º.
IV Se a linha II for aberta de forma permanente, em razão da falta, e o sistema se mantiver estável, então o gerador manterá o mesmo valor do ângulo do rotor para o qual operava antes da falta.
V Caso a falta seja eliminada em tempo apropriado, de modo a assegurar a estabilidade do sistema, e, em seguida, ocorra abertura permanente da linha IV, a potência elétrica máxima do gerador ficará reduzida a um valor inferior a 11 pu.
A quantidade de itens certos é igual a
Provas
Caderno Container