Foram encontradas 700 questões.
Uma carga de 10 kVA apresenta fator de potência igual a 0,8 indutivo. Para melhorar o fator de potência nessa instalação, devem ser instalados capacitores em paralelo com a carga. Assinale a opção que contém a capacidade de capacitores que deve ser instalada em paralelo com a carga a fim de que o fator de potência seja elevado para 0,90 indutivo. Considere que !$ \sqrt{0,19} \approx 0,45 !$.
Provas
A respeito de manutenção preditiva, preventiva e corretiva em sistemas elétricos de potência, assinale a opção incorreta.
Provas

H. Creder. Instalações elétricas. LTC, 14.a ed., 2000, p. 111 (com adaptações).
A figura acima mostra o esquema de ligação de dois interruptores para acender (apagar) a lâmpada L de pontos diferentes de uma residência. Esse esquema elétrico é típico de um circuito
Provas

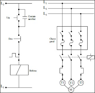
H. Creder. Instalações elétricas. LTC, 14a ed., 2000, p. 118.
Considerando a figura acima, que mostra os circuitos de controle e de força para acionamento de um motor de indução trifásico M, assinale a opção correta.
Provas
Com relação aos tipos de curto-circuito que ocorrem em um sistema elétrico de potência, julgue os itens que se seguem.
I As correntes de curto-circuito bifásico são calculadas com base somente nas informações dos circuitos de seqüência positiva e negativa da rede elétrica.
II Curtos-circuitos do tipo bifásico-terra geram tensões nulas nas três fases no local em que ocorre a falta.
III Curtos-circuitos monofásicos podem dar origem a sobretensões industriais em determinada fase sã no local onde ocorre a falta.
IV A corrente de seqüência zero em um curto-circuito bifásico-terra é nula.
V No curto-circuito monofásico, a corrente de falta para a terra é igual ao dobro da corrente de seqüência zero originada devido à falta.
Estão certos apenas os itens
Provas

O diagrama unifilar mostrado na figura acima representa um sistema elétrico de potência isolado, no qual dois geradores, por meio de dois transformadores e uma linha de transmissão, atendem uma carga conectada à barra
. Entre as barras
e
, existe um terceiro transformador que é utilizado para abaixar a tensão da linha para o nível de tensão da carga. Os dados percentuais referentes às reatâncias de cada equipamento, nas suas respectivas bases de potência e de tensão, são indicados no diagrama unifilar abaixo do símbolo do equipamento. X1, X2 e X0 representam reatâncias de seqüência positiva, negativa e zero, respectivamente. Considere que, para análise de faltas, todos os equipamentos sejam representados por seus circuitos elétricos equivalentes e que esses contêm apenas reatâncias. Considere, ainda, que a corrente na carga é desprezível frente às correntes de curto-circuito e que o sistema opere aproximadamente com tensão nominal em todas as barras.
Ainda acerca das informações do texto, é correto afirmar que a barra que apresenta a menor intensidade de corrente de curto-circuito trifásico, em pu, é a de número
Provas

O diagrama unifilar mostrado na figura acima representa um sistema elétrico de potência isolado, no qual dois geradores, por meio de dois transformadores e uma linha de transmissão, atendem uma carga conectada à barra
. Entre as barras
e
, existe um terceiro transformador que é utilizado para abaixar a tensão da linha para o nível de tensão da carga. Os dados percentuais referentes às reatâncias de cada equipamento, nas suas respectivas bases de potência e de tensão, são indicados no diagrama unifilar abaixo do símbolo do equipamento. X1, X2 e X0 representam reatâncias de seqüência positiva, negativa e zero, respectivamente. Considere que, para análise de faltas, todos os equipamentos sejam representados por seus circuitos elétricos equivalentes e que esses contêm apenas reatâncias. Considere, ainda, que a corrente na carga é desprezível frente às correntes de curto-circuito e que o sistema opere aproximadamente com tensão nominal em todas as barras.
Com base nas informações do texto, para se calcular a corrente de falta do tipo curto-circuito monofásico na barra
, não é necessário conhecer a reatância de seqüência
Provas

No circuito magnético mostrado na figura acima, a seção reta A do núcleo ferromagnético, considerada uniforme, é igual a 10 cm2 e o comprimento médio L do material é igual a 40 cm. A estrutura tem uma bobina de N espiras e o material ferromagnético tem permeabilidade relativa !$ \mu_t !$ igual a 10.000. No núcleo, foi aberto um entreferro cuja largura é igual a 1 mm. A bobina é alimentada por uma corrente i(t), que produz a circulação de um fluxo magnético. Desconsiderando os efeitos do fluxo de dispersão na bobina e do espraiamento (frangeamento) no entreferro e sabendo que a permeabilidade magnética !$ \mu_0 !$ no ar é igual a !$ 4\pi \times 10^{-7} !$ Wb/(A. m), assinale a opção incorreta.
Provas
Considere que um motor de indução trifásico, com rotor em gaiola, apresente uma bobina por fase, que a tensão nominal de cada bobina seja igual a 220 V, e que esse motor seja ligado convenientemente a uma rede elétrica e aciona determinada carga mecânica. A respeito dessa situação, assinale a opção incorreta.
Provas
A respeito do funcionamento do motor CC com circuito de campo ligado em derivação, julgue os itens a seguir.
I Nesse tipo de motor, não ocorre centelhamento, pois o efeito de reação da armadura é desprezível. Entretanto, essa consideração não se verifica para o caso de geradores CC em derivação.
II A força contra-eletromotriz (fcem) no motor depende da velocidade e do sentido de rotação das bobinas de armadura e também do fluxo magnético nessas bobinas.
III A fcem no motor tem polaridade oposta à tensão CC aplicada na armadura.
IV Considerando-se que um reostato de partida seja ligado em série com o enrolamento de armadura durante o acionamento do motor, caso esse reostato seja curto-circuitado após o motor partir e ser levado à velocidade nominal, em regime permanente, o motor disparará e atingirá velocidades proibitivas, necessitando ser desligado para evitar danos em seus enrolamentos de armadura.
V O circuito de campo nesse tipo de motor pode ser ligado diretamente e de forma apropriada aos terminais da fonte de alimentação CC que alimenta o circuito da armadura. Nesse caso, a corrente de campo em regime permanente é limitada pela resistência equivalente de campo.
A quantidade de itens certos é igual a
Provas
Caderno Container