Foram encontradas 1.803 questões.
Considere a seguinte situação hipotética.
A figura abaixo ilustra, em determinado instante de tempo, a posição dos quatro ponteiros de um medidor de energia elétrica de uma residência com constante de medição igual a 1 e que indica a energia em W . h. A partir desse instante, são ligadas na residência, durante 10 min, 5 lâmpadas incandescentes que totalizam 300 W e um chuveiro de 2.200 W.
Nessa situação hipotética, após o período de 10 min, a posição do ponteiro do relógio II deverá estar entre os números 8 e 9.
Provas
Provas

No circuito mostrado acima, um galvanômetro está ligado em série a um resistor Rs variável para que a tensão U seja medida. Considerando que o galvanômetro possua resistência interna de 5 Ω e que a corrente de fundo de escala seja igual a 10 mA, julgue o item abaixo.
Provas
Provas
Provas
Provas
Provas
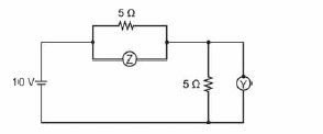
Considerando que o circuito elétrico mostrado abaixo possua um amperímetro e um voltímetro ideais, que a medição do instrumento Y indique 2 unidades de sua respectiva grandeza medida e que, similarmente, Z indique 10 unidades de medida, então é correto afirmar que Y é um amperímetro e Z é um voltímetro.

Provas
Provas
Provas
Caderno Container