Foram encontradas 625 questões.
Dez cargas residenciais de 15kW cada, são alimentadas por um mesmo transformador de distribuição. O fator de demanda do grupo de cargas é 0,70 e o fator de diversidade é 1,20. A demanda diversificada do grupo de cargas para o transformador de distribuição, em KW, é:
Provas
Para permitir manobras de circuitos elétricos, sem carga, o dispositivo mecânico utilizado em subestações prediais, que isola equipamentos em geral, é denominado:
Provas
Há 5 anos a carga elétrica de uma cidade era de 200MW. Atualmente o valor é de 310MW. Supondo-se que a taxa de crescimento médio anual da carga se mantém constante, é possível prever que a carga, num prazo de 3 anos, crescerá, aproximadamente, em MW, para:
Provas
Um gerador síncrono de 60hz e 10 pólos está ligado a uma barra infinita. Num dado instante, o gerador perde o sincronismo, apresentando !$ \dfrac{d\delta}{dt} !$ = − 400ºelétricos/s, onde !$ \delta !$ é o ângulo de potência.
Para o valor de !$ \dfrac{d\delta}{dt} !$ a velocidade da máquina, em rpm, será aproximadamente de:
Provas
Um motor trifásico de 12,5 HP, 220 V entre fases, com fator de potência de 90% e rendimento de 80%, terá uma corrente nominal em Ampère, aproximadamente de:
Provas
No planejamento da manutenção de equipamentos, uma prática utilizada na manutenção preditiva refere-se ao (à):
Provas
O Gráfico abaixo representa a participação das fontes para a geração de energia elétrica no Brasil:

No panorama brasileiro, em relação à participação de fontes de origem fóssil, observa-se uma tendência crescente:
Provas
Analise o sistema de potência da figura abaixo:

Dados:
• G : 300,0 MVA; 20,0kV; X = 20% = 0,20 pu
• M1: 200,0 MVA; 13,2kV; XM1 = 0,20 pu
• M2: 100,0 MVA; 13,2 kV; XM2 = 0,20 pu
• LT: 64,0km; X = j0,5!$ Ω !$/km
• T1 = 350,0 ; MVA; 230,0/20,0kV; XT1 = 0,10 pu
• T2 = 3 Transformadores Monofásicos 100,0 MVA; 127,0/13,2 kV; XT2 = 10% = 0,10 pu.
Se os motores demandarem 120 e 60 MVA a 13,2 kV, a tensão real nos terminais do Gerador, em KV, é :
Provas
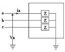
Observe a figura que se segue:

Num trecho de 138kV de uma linha de transmissão, a carga equivalente pode ser representada pela impedância Z = 80 + j60 !$ Ω !$/fase. Tomando-se a fase !$ a !$ como referência, as potências ativas absorvidas pela carga, por fase e total, valem em MW, respectivamente:
Provas
Um moinho foi construído para gerar energia elétrica. Montou-se uma hélice com 8 pás, cada pá com área de 0,3 m², coeficiente de aproveitamento aerodinâmico 1,0 e centróide a 0,50m do eixo. Quando a velocidade do vento era de 20 km/h, notava-se que a hélice girava a 320rpm. Levando-se em consideração que o rendimento da máquina devido às outras perdas era 80% e que a densidade do ar é 1,25kg/m³, a potência real gerada, em HP, era próxima de:
Provas
Caderno Container