Foram encontradas 577 questões.
Considere o circuito elétrico ao lado.

Assumindo que o AMPOP seja ideal, assinale a alternativa que apresenta a tensão Vo, mostrada no circuito:
Provas
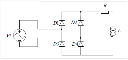
Considere o circuito ao lado, contendo uma fonte de tensão senoidal (CA), uma ponte retificadora monofásica e uma carga RL série.

Assumindo que os diodos sejam ideais, é correto afirmar:
Provas
Com seis lâmpadas idênticas, é possível organizá-las como cargas trifásicas. Essas cargas trifásicas operam com diferentes tensões de linha sem alterar as condições de tensão sobre cada lâmpada. Considerando que as seis lâmpadas são de 60 W e 127 V eficaz, assinale a alternativa que determina quais as possíveis tensões de linha a que as cargas trifásicas formadas pelas seis lâmpadas podem ser submetidas.
Provas
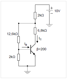
Considere o circuito mostrado ao lado.

Para o transistor BJT do tipo NPN, a operação no modo saturação está assegurada se as junções base-emissor (JBE) e base-coletor (JBC) estão em condução. Assuma que as condições necessárias para a operação desse transistor no modo saturação estão asseguradas se \( IB≥0 \) e \( 0≤I_C/I_B≤β \), onde \( I_B \) e \( I_C \) são as correntes que entram pelos terminais de base e coletor, respectivamente. Além disso, para esse transistor operando no modo saturação, assumir VBE = 0,7 V e VBC = 0,5 V. Com base nessas considerações, é correto afirmar que as correntes \( I_B \) e \( I_C \), indicadas no circuito apresentado, têm valores, respectivamente, iguais a:
Provas
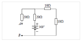
Considere o circuito elétrico mostrado ao lado.

A corrente de curto-circuito medida entre os terminais A e B, ou seja, a corrente fornecida pela fonte de corrente independente do circuito equivalente de Norton visto entre os terminais A e B, é igual a:
Provas
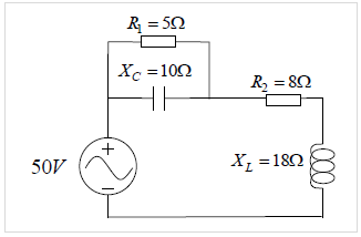
Considere o circuito elétrico ao lado, em que uma fonte de tensão senoidal (CA) de valor eficaz de tensão igual a 50 V é aplicada a um circuito composto por dois resistores de resistências iguais a \( R_1 \) = 5 Ω e \( R_2 \) = 8 Ω, um indutor de reatância indutiva igual a \( X_L \) = 18 Ω e um capacitor de reatância capacitiva igual a \( X_C \) = 10 Ω.

Assinale a alternativa que apresenta a potência aparente na fonte de tensão.
Provas
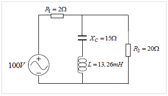
Uma fonte de tensão senoidal (CA), de tensão eficaz (RMS) igual a 100 V, com frequência de 60 Hz, é aplicada a um circuito composto por dois resistores de resistências iguais a \( R_1 \) = 2 Ω e \( R_2 \) = 20 Ω, um indutor de 13,26 mH e um capacitor de reatância capacitiva igual a \( X_C \) = 15 Ω, conforme mostrado no circuito ao lado.

Assinale a alternativa que representa a magnitude da impedância vista pela fonte, em valor aproximado.
Provas
Uma fonte de tensão senoidal e ideal alimenta uma carga de impedância desconhecida. A potência instantânea na carga é \( P_i (t) \) = 600 - 600cos (314t) - 800sen (314t). W. Levando em consideração os dados apresentados, assinale a alternativa que apresenta a potência reativa (Q) na carga.
Provas
Considere o circuito elétrico ao lado, em que uma fonte de tensão senoidal (CA) de valor eficaz de tensão igual a 100 V é aplicada a um circuito composto por dois resistores de resistências iguais a \( R_1 \) = 112 \( Ω \) e \( R_2 \) = 800 \( Ω \), um indutor de reatância indutiva igual a \( X_L \) = 600 \( Ω \) e um capacitor de reatância capacitiva igual a \( X_C \) = 384 \( Ω \).

Assinale a alternativa que apresenta a potência ativa absorvida pelo resistor \( R_2 \).
Provas
Uma fonte de tensão com forma de onda triangular e com tensão de pico igual a 100 V tem tensão eficaz igual a:
Provas
Caderno Container