Foram encontradas 577 questões.
Identifique as afirmativas a seguir como verdadeiras (V) ou falsas (F):
( ) A norma NBR 5410 estabelece, com relação ao esquema TT, que no seccionamento automático, visando proteção contra choques elétricos, devem ser utilizados dispositivos a corrente diferencial-residual.
( ) A norma NBR 5410 estabelece, com relação ao esquema IT, que a alimentação é isolada da terra ou aterrada através de uma impedância de valor suficientemente elevado.
( ) O seccionamento automático da alimentação visando proteção contra choques elétricos na ocorrência de uma segunda falta deve ser equacionado seguindo-se as regras definidas para o esquema TN ou TT, segundo a norma NBR 5410.
( ) Em uma edificação alimentada por linha elétrica em esquema TN-C, o condutor PEN pode ser separado a partir do ponto de entrada da linha na edificação, ou a partir do quadro de distribuição principal, em condutores distintos para as funções de neutro e de condutor de proteção.
Assinale a alternativa que apresenta a sequência correta, de cima para baixo.
Provas
Sobre proteção contra choques elétricos, considere as seguintes afirmativas:
1. A equipotencialização é um recurso usado na proteção contra choques elétricos e na proteção contra sobretensões e perturbações eletromagnéticas.
2. Segundo a NBR 5410, entende-se por proteção básica o meio destinado a suprir a proteção contra choques elétricos quando massas ou partes condutivas acessíveis tornam-se acidentalmente vivas.
3. A NBR 5410 cita o PELV, um sistema de média tensão que é eletricamente separado da terra e de outros sistemas, de tal modo que a ocorrência de uma única falta não resulta em risco de choque elétrico.
4. Os princípios que fundamentam as medidas de proteção contra choques especificadas da NBR 5410 são resumidos, conforme a própria norma, na forma: partes vivas perigosas não devem ser acessíveis; e massas ou partes condutivas acessíveis não devem oferecer perigo, seja em condições normais, seja em caso de alguma falha que as tornem acidentalmente vivas.
Assinale a alternativa correta.
Provas
Assinale a alternativa que apresenta a unidade de medida da condutância elétrica no sistema internacional.
Provas
Com relação a sistemas de aterramento elétrico, considere as afirmativas a seguir:
1. Terra remoto representa uma massa condutora de solo distante o suficiente de qualquer eletrodo de aterramento, para que seu potencial elétrico seja sempre muito maior que a resistência interna do circuito considerado.
2. A tensão produzida no eletrodo de aterramento quando este dispersa corrente à terra em relação ao terra remoto é denominado de elevação de potencial de terra.
3. A relação entre a elevação de potencial de terra de um eletrodo qualquer e a corrente por ele injetada no solo é conhecida como resistência equivalente de aterramento.
4. Por eletrodo de aterramento é possível entender um elemento condutor, ou conjunto de elementos condutores interligados, em contato direto com a terra, de modo a garantir a desejada ligação com o solo.
Assinale a alternativa correta.
Provas
Assinale a alternativa que apresenta a unidade de medida de fluxo magnético no sistema internacional.
Provas
Assinale a alternativa que apresenta a unidade de medida de carga elétrica no sistema internacional.
Provas
Considere o circuito elétrico mostrado ao lado, onde uma fonte de tensão senoidal (CA) de valor eficaz de tensão igual a 120 V é aplicada a um circuito composto por um resistor de resistência igual a R = 48 Ω e um indutor de reatância indutiva igual a \( X_L \) = 36 Ω.

Assinale a alternativa que apresenta o valor da potência aparente na fonte de tensão.
Provas
A respeito de instrumentos de medida, assinale a alternativa correta.
Provas
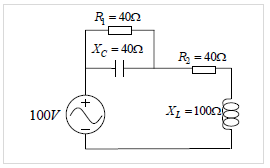
Considere o circuito elétrico mostrado ao lado, onde uma fonte de tensão senoidal (CA) de valor eficaz de tensão igual a 100 V é aplicada a um circuito composto por dois resistores de resistências iguais a \( R_1 \) = 40 Ω e \( R_2 \) = 40 Ω, um indutor de reatância indutiva igual a \( X_L \)= 100 Ω e um capacitor de reatância capacitiva igual a \( X_C \) = 40 Ω.

Assinale a alternativa que apresenta a potência ativa fornecida pela fonte de tensão.
Provas
Considerando o erro percentual na leitura em um voltímetro, assinale a alternativa correta.
Provas
Caderno Container