Foram encontradas 50 questões.
Observe a figura a seguir.

Assinale a opção que corresponde ao valor da tensão entre os terminais "a" e "b" da figura acima.
Provas
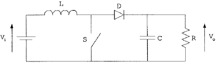
Observe a figura a seguir.

A figura acima representa um conversor CC/CC, na qual Sé uma chave ativa que opera em alta frequência de chaveamento. Como se denomina esse conversor?
Provas
Observe a figura a seguir.

No circuito da figura acima, considere R8 um resistor variável cuja resistência pode ser ajustada entre !$ 0 \Omega !$ e !$ 100 K \Omega !$. Considere ainda que, quando o transistor estiver funcionando na região de saturação, a tensão entre coletor e emissor será considerada nula (VCE= O Volts). Assinale a opção que corresponde, respectivamente, à corrente do coletor no ponto de saturação do transistor e à tensão entre coletor e emissor no ponto de corte do dispositivo.
Provas
Observe o circuito a seguir.

Assinale a opção que corresponde à expressão característica do circuito lógico representado acima.
Provas
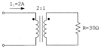
Observe a figura a seguir.

A figura acima representa uma carga !$ R = 30 \Omega !$ alimentada por um transformador monofásico ideal, em que a corrente do primário é 2A. Assinale a opção que apresenta o valor de potência dissipada na carga em Watt.
Provas
Observe a tabela a seguir.
Um equipamento elétrico monofásico cujas características elétricas são: tensão nominal de 220V, potência aparente de 4400VA e fator de potência igual a 0,5, necessita ser conectado próximo à fonte de alimentação.
|
Seção do condutor |
Seção do condutor |
|
0, 5mm2 |
8A |
|
1,50mm2 |
14A |
|
2, 5mm2 |
17,5A |
|
2,5 mm2 |
24A |
|
4, 0mm2 |
32A |
Com base nas informações do enunciado e da tabela acima, assinale a opção que corresponde à menor seção de condutor capaz de conectar o equipamento com segurança.
Provas
Com relação à classificação dos instrumentos de medidas elétricas quanto à grandeza a ser medida, assinale a opção INCORRETA.
Provas
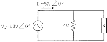
Observe a figura a seguir.

A figura acima representa um circuito de corrente alternada. Assinale a opção que apresenta a potência, em Watt, fornecida pela fonte à carga Z.
Provas
Observe a figura abaixo.

Uma determinada carga monofásica apresenta tensão e corrente iguais a Vc e a Ic, respectivamente, como representado na figura acima. Assinale a opção que corresponde ao valor da potência reativa dessa carga.
Provas
A tensão em uma determinada carga é dada por !$ V (t) = 100 sen(wt - 30^{ \circ})\,V !$ e a corrente que percorre essa carga é dada por i(t)=5sen(wt+30º)A. Assinale a opção que apresenta o fator de potência da carga.
Provas
Caderno Container