Foram encontradas 50 questões.
"Consiste em cobrir a parte superior da construção com uma malha captara de condutores elétricos nus". A descrição acima se refere a qual método de projeto de um SPDA (Sistema de Proteção Contra Descargas Atmosféricas)?
Provas
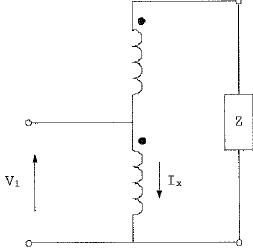
Observe a figura a seguir.

A figura acima representa um autotransformador monofásico ideal 220V/380V que alimenta uma carga Z de 41,8kVA. Sabendo que V1=220V, assinale a opção que corresponde ao valor da corrente Ix.
Provas
Um motor de indução trifásico possui velocidade síncrona de 3600rpm. Admitindo-se um escorregamento de 2%, assinale a opção que apresenta a velocidade nominal do motor.
Provas
Observe o circuito a seguir.

Determine a resistência equivalente entre os pontos A e B do circuito acima, e assinale a opção correta.
Provas
Observe a figura a seguir.

Para o circuito ilustrado acima, considere o diodo com ilustrado acima, considere o diodo com resistência interna de 0 !$ \Omega !$ e tensão de 0,7V sobre o diodo quando este estiver diretamente polarizado. Assinale a opção que corresponde ao valor da corrente aplicada em Rc.
Provas
Considere o circuito a seguir.

O coeficiente de acoplamento do transformador presente no circuito acima é:
Provas
Observe a figura a seguir.

A figura acima representa um condutor em forma de espira de raio Re, o qual é percorrido por uma corrente I=2A. Assinale a opção que apresenta o valor da intensidade de campo magnético no centro da espira.
Provas
Analise a figura a seguir.

A figura acima representa A figura acima representa trifásico, com tensões balanceadas cujos módulos são 240V, e uma carga trifásica equilibrada, onde !$ | Z | = 12 \omega !$. Assinale a opção que corresponde ao valor da corrente In.
Provas
Observe o circuito a seguir.

Determine a potência dissipada pelo resistor de 6Q, e assinale a opção correta.
Provas
"Constitui-se tipicamente de uma placa pequena de metal ou semicondutor de comprimento 1, espessura te largura w. Quando uma corrente I passa pela placa, estando sujeita a uma densidade de fluxo magnético B perpendicular ao plano da placa, uma tensão aparecerá nos contatos laterais". Assinale a opção que corresponde ao princípio de funcionamento do sensor descrito acima.
Provas
Caderno Container