Foram encontradas 50 questões.
Observe a tabela verdade abaixo.
| A | B | C | S |
| 0 | 0 | 0 | x |
| 0 | 0 | 1 | 1 |
| 0 | 1 | 0 | 1 |
| 0 | 1 | 1 | 1 |
| 1 | 0 | 0 | 0 |
| 1 | 0 | 1 | x |
| 1 | 1 | 0 | 0 |
| 1 | 1 | 1 | 1 |
Assinale a opção que apresenta a expressão simplificada da saída Sem função das entradas A, B e C.
Provas
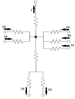
Observe o circuito a seguir.

Assinale a opção que corresponde ao valor da corrente I.
Provas
Assinale a opção que apresenta o número binário que corresponde ao número 13 do Sistema Decimal.
Provas
Considere o circuito a seguir.

Assinale a opção que corresponde ao circuito acima representado por meio do diagrama de Ladder.
Provas
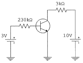
Observe a figura a seguir.

No circuito da figura acima, considere a tensão entre base e emissor para o transistor tipo NPN igual a 0,7V e seu ganho de corrente é igual a 100. Assinale a opção que corresponde, respectivamente, às correntes de base (IB ) e de coletor (Ic).
Provas
Observe a figura a seguir.
Assinale a opção que representa a forma de onda da saída S do circuito lógico acima para as entradas X, Y e Z fornecidas.

Provas
Assinale a opção que apresenta a expressão simplificada da seguinte função booleana: !$ S = A \bar{B} C + \overline{AC} C + ABC + \bar{A} BC + \bar{A} B \bar{C} !$
Provas
Um bom amplificador operacional deve apresentar as seguintes características:
Provas
Considere que um amperímetro analógico realizou a leitura da corrente de um circuito eletrônico indicando em seu mostrador 50mA. Sabendo que o amperímetro tem escala de -l00mA a +l00mA e que o índice de classe de exatidão do instrumento é de 0,5, assinale a opção que corresponde ao erro máximo admissível em qualquer extremidade da escala.
Provas
Observe a figura.

No circuito representado na figura acima, a relação da tensão de saída v0 (t) com a tensão de entrada vi(t) é de:
Provas
Caderno Container