Foram encontradas 50 questões.
Um motor de indução trifásico possui quatro polos e é alimentado por um circuito trifásico alimentado equilibrado com frequência de 60Hz. Assinale a opção que apresenta o valor da velocidade síncrona desse motor.
Provas
Para a partida de motores elétricos, podem-se utilizar as chamadas chaves estrela- triângulo. Qual é a razão entre a corrente de partida de um motor acionado por partida direta e a corrente de partida de um motor acionado por uma chave estrela -triângulo?
Provas
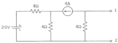
Observe a figura a seguir.

A figura acima representa um circuito de corrente contínua com os terminais 1 e 2 em aberto. Determine o módulo da Tensão (Eth) e a Resistência (Rth) de Thevenin desse circuito, vistos pelos terminais 1 e 2, e assinale a opção correta.
Provas
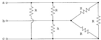
Observe a figura a seguir.

A figura acima representa duas cargas trifásicas equilibradas. Assinale a opção que corresponde à resistência estrela equivalente (Rel vista pelos terminais a, b e c do circuito representado nessa figura.
Provas
Observe o esquemático abaixo de um gerador simples, síncrono, monofásico e com velocidade mecânica de 1500rpm.

Assinale a opção que corresponde ao valor da frequência elétrica da tensão gerada pela máquina síncrona.
Provas
A potência complexa de um circuito é dada por S=300+j300[VA] Qual é o valor da capacitância do capacitar que deve ser adicionado em paralelo com a carga para que o fator de potência seja igual a zero?
Dado:!$ V_{rms} = { \large 100 \over \sqrt{2 \pi f}} !$ Volts, sendo f a frequência elétrica do circuito
Provas
Observe o circuito a seguir.
A tensão da fonte da figura acima é dada por !$ v(t) = 100 \sqrt{2}\,\,\,cos (120 \pi t - 60^{ \circ})\,V !$.

Sabendo que o circuito é ressonante, assinale a opção que apresenta o valor eficaz da corrente is.
Provas
Observe a figura a seguir.

Por vezes, para se comandar um circuito de iluminação, é necessário existir a possibilidade de comando por vários pontos. Assinale a opção que apresenta a sequência correta de interruptores (1-2-3-4-5) que permite que o circuito representado na figura acima seja comandado por qualquer interruptor.
Provas
Com relação aos princípios de funcionamento e detalhes construtivos dos instrumentos de medidas elétricas, coloque V (Verdadeiro) ou F (Falso) nas afirmativas abaixo e, em seguida, assinale a opção que apresenta a sequência correta.
( ) A Ponte de Wheatstone é um circuito utilizado para medir resistências através do ajuste de um potenciômetro cujo valor da resistência vai se alterando até que não haja mais indicação de corrente no instrumento. Nessa situação, a ponte está em equilíbrio e, quando isso ocorre, o valor da resistência medida pelo instrumento é dado em função das resistências conhecidas presentes na ponte e da resistência do potenciômetro obtida após o ajuste.
( ) A resistência interna de um amperímetro deve ser a menor possível a fim de que o instrumento interfira minimamente no circuito sob inspeção. Um amperímetro ideal é aquele que tem uma resistência interna equivalente a um circuito aberto.
( ) Os instrumentos de medida elétrica, salvo raras exceções, podem ser distribuídos quanto ao modo de funcionamento do sistema de medição nos seguintes grandes grupos: magnéticos, térmicos, eletrostáticos, de vibrações e eletrônicos.
( ) Todos os instrumentos analógicos possuem uma resistência interna devido à existência dos enrolamentos, conexões e outras partes. Portanto, quando inseridos em um circuito, esses aparelhos causam uma mudança na configuração original desse circuito.
Provas
Assinale a opção INCORRETA com relação aos aspectos contrutivos dos motores elétricos de corrente contínua.
Provas
Caderno Container