Foram encontradas 50 questões.
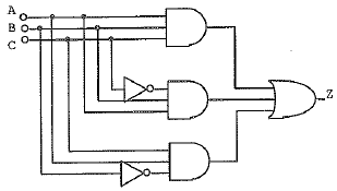
Analise a figura a seguir.

Determine a expressão simplificada da saída ( Z) do circuito lógico da figura acima e assinale a opção correta.
Provas
Observe a figura a seguir.

Nos sistemas de comunicação digital, a saida digital do codificador de fonte (dados) é convertida (ou codificada) em pulsos elétricos (formas de onda) para fins de transmissão no canal. Esse processo recebe o nome de codificação de linha. Assinale opção que indica o nome do código de linha digital apresentado na figura acima.
Provas
Assinale a opção que apresenta um tipo de modulação digital com portadora, no qual a informação do dado transmitido reside na frequência da portadora.
Provas
Um sinal modulado em ângulo, com portadora \( \omega _c \)\( = 4 \pi . 10^5 \) é descrito pela equação \( φ _{EB}(t) = 10.cos(\omega _c t + 10 sen 1000 \pi t + 20 sen 200 \pi t) \). Estime a largura de banda de \( φ _{EB} (t) \) e assinale a opção correta.
Provas
Determine a probabilidade de aparecerem os números 2 ou 5, ao menos uma vez, em duas jogadas de um dado honesto e assinale a opção correta.
Provas
Determine o valor aproximado da eficiência de potência (\( \eta \)) da onda AM, com modulação por tom, quando o índice de modulação (μ) for igual a O, 6 e para a resposta solicitada, assinale a opção correta.
Provas
Tem-se cinco urnas, cada uma com seis bolas. Duas dessas urnas (tipo D1) têm três bolas brancas, duas outras (tipo D2) têm quatro bolas brancas e a última urna (tipo D3) tem 2 bolas brancas. Escolhe-se uma desses urnas ao acaso e dela retiramos uma bola. Determine a probabilidade de uma urna escolhida ser do tipo D3, sabendo que a bola sorteada é branca e assinale a alternativa correta
Provas
- Estatística InferencialFunções Densidade de ProbabilidadeFunção Densidade de Probabilidade (Avançado)
Determine a constante C de modo que a função \( f(x) \begin{cases} 3. Cx^3 & 0 < x < 2 \\ 0 & Em \ caso \ contrário \end{cases} \) seja de densidade de probabilidade, assinale a opção correta.
Provas
Suponha que um dado honesto seja fogado duas vezes. Determine a probabilidade de se obter 1, 2 ou 6 na 1º jogada e 2, 3 ou 5 na 2º jogada. Assinale a opção correta,
Provas
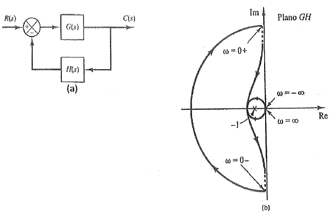
Analise a figura a seguir.

Considere que a figura (a) representa o sistema de malha fechada e que a figura (b) representa o diagrama de Nyquist desse sistema que indica que o ponto -1 +j0 é envolvido pelo lugar geométrico de G ( S) H (S) uma vez. Determine o número de polos que G(S)H(S) deve ter no semiplano direito do plano S, para o sistema ser estável e assinale a opção correta,
Provas
Caderno Container