Foram encontradas 50 questões.
Uma máquina de Carnot, cuja fonte fria está a 15K de temperatura, tem eficiência de 35%. A temperatura da fonte quente deve ser aumentada em quantos graus Kelvin, aproximadamente, para que a eficiência suba para 50%?
Provas
Um trabalho de 900J é realizado sobre um sistema qualquer, no qual ocorre uma perda de 150J de calor. Em seguida, o referido sistema realiza 300J de trabalho, e mais 50J de calor são perdidos. Assinale a opção que corresponde à energia final do sistema, sabendo que sua energia inicial era zero.
Provas
Observe a figura a seguir.

Um marinheiro empurra uma caixa de 100Kg em uma prancha inclinada em 30° conforme a figura acima. Desconsiderando o atrito da prancha, marque a opção que indica os módulos das forças que a caixa exerce, respectivamente, sobre a prancha e sobre o marinheiro.
Dados: g =10m/s2
sen(30º)=0,5
cos(30º)=0,86
Provas
.um fuzil está apontado horizontalmente para um alvo a 50m de distância. O projétil atinge o alvo a 3,2 cm abaixo do ponto para o qual o fuzil foi apontado. Determine o tempo de percurso do projétil, e assinale a opção correta.
Dado: g=10m/s2
Provas
A posição de uma particula que se move no eixo x é dada por x = 957,3 + 34t + 7t2 , com x em metros e t em segundos. Assinale a opção em que a aceleração dessa particula corresponde ao instante t=0s.
Provas
Assinale a opção que apresenta a classe do amplificador que é projetado para operar com sinais digitais ou pulsados, e cuja saida deve ser convertida novamente em sinal senoidal através de um filtro passa-baixa.
Provas
Assinale a opção que apresenta o dispositivo semicondutor cuja resistência entre seus dois terminais diminui exponencialmente com o aumento da luz incidente.
Provas
Para um amplificador classe B, alimentado por uma fonte de 15Vcc, que fornece um sinal de 12V de pico para um autofalante de 80, determine a eficiência do circuito, e assinale a opção correta:
Dado:\( \pi \approx 3 \)
Provas
Observe o circuito a seguir.

No transistor do circuito acima, considerando a tensão base-emissor de 0,7V e \( \beta \), encontre a corrente de coletor, e assinale a opção correta.
Provas
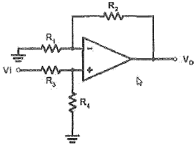
Analise o circuito a seguir.

No circuito acima, Rl=R3=2,2k\( \Omega \) e R2=R4=10k\( \Omega \). Determine o valor aproximado da tensão de saída Vo, sabendo que, em sua entrada Vi, foi ligada uma fonte de 1,5V, e assinale a opção correta.
Provas
Caderno Container