Foram encontradas 700 questões.
Analise a figura a seguir.

Assinale a opção que corresponde à saída f do MUX na figura acima, em função dos bits de seleção S2, S1 e S0.
Provas
O dispositivo que converte uma condição física do elemento sensor em um sinal elétrico para ser utilizado pelo CLP é chamado de:
Provas
Sabendo-se que os índices são o tipo de representação de cada número, calcule o resultado da expressão (21D)16-(01011)2, em decimal, e assinale a opção correta.
Provas
Observe o circuito a seguir.

Com relação ao circuito acima, qual a tensão coletor-emissor e qual o tipo de polarização do circuito?
Provas
A expressão !$ S=\bar{A}B.(\bar{D}+D\bar{C})+(A+\bar{A}CD).B !$ também pode ser respresentada pela expessão
Provas
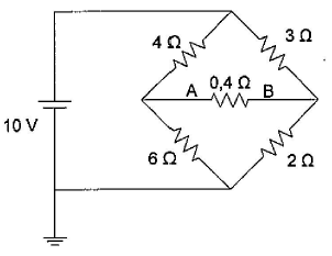
Analise o circuito a seguir.

Com relação ao circuito acima, calcule a corrente no resistor de 0,4!$ Ω !$, entre os pontos A e B da ponte de resistores, e assinale a opção correta.
Provas
Considere que o motor de uma geladeira consuma 2000W. Calcule a energia semanal em quilowatts-hora gasta em um restaurante que dispõe de 3 geladeiras, sabendo que todas elas foram usadas durante 8 horas por dia em 7 dias da semana, e assinale a opção correta.
Provas
Em relação à associação em paralelo de 3 células idênticas de uma bateria, em que todos os terminais positivos estão conectados juntos e todos os terminais negativos também estão conectados juntos, assinale a opção correta.
Provas
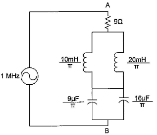
Analise o circuito a seguir.

Com base no circuito acima, calcule a impedância equivalente entre os pontos A e B e assinale a opção correta.
Provas
Com relação à teoria de magnetismo e eletromagnetismo, analise as afirmativas abaixo.
I- A polaridade da tensão induzida é determinada pela Lei de Faraday.
II- O valor da tensão induzida depende do número de espiras da bobina e da velocidade com que o condutor intercepta as linhas de força ou fluxo.
III- Se uma barra de ferro for colocada no campo magnético de uma bobina, essa barra ficará magnetizada.
IV- O conjunto de todas as linhas do campo magnético que emergem do polo norte do ímã é denominado fluxo magnético.
Assinale a opção correta.
Provas
Caderno Container