Foram encontradas 700 questões.
O Erro de Fundo de Escala de um conversor D/A é
Provas
Com relação à entrada CLK de um flip-flop, o termo "disparada por borda" significa que
Provas
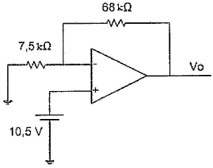
Analise o circuito a seguir.

Com relação a esse circuito, qual é a tensão de saída Vo?
Provas
Em relação aos dispositivos semicondutores, assinale a opção correta.
Provas
Assinale a opção que descreve, corretamente, a operação de um flip-flop D disparado na borda negativa.
Provas
A potência na carga (secundário) de um transformador dobrador de tensão vale 4 kw e a entrada é 110V/60Hz. Qual o valor aproximado das correntes de entrada e saída do transformador, respectivamente?
Provas
Um determinado conversor digital-analógico tem um tamanho de degrau de 0,25 V e uma saída de fundo de escala de 7,75 V. Sendo assim, calcule a resolução percentual e o número de bits de entrada, respectivamente, e assinale a opção correta.
Provas
Sabendo-se que os índices são o tipo de representação de cada número, marque a opção que apresenta a sequência (92)16 e (1011001)2, respectivamente, na representação octal.
Provas
Um circuito que desloca uma forma de onda para um nível CC diferente, sem alterar a aparência do sinal aplicado, é denominado:
Provas
Que dispositivo semicondutor opera na região de ruptura?
Provas
Caderno Container