Foram encontradas 50 questões.
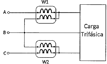
Aplicando o método dos dois wattrmetros (W1 e W2) em uma carga trifásica equilibrada em estrela conforme figura abaixo, mediram-se as seguintes potências:
W1 = 2267,95 W
W2 = 5732,05 W

De acordo com os dados, assinale a opção que apresenta o fator de potência desse sistema.
Provas
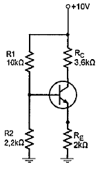
Observe o circuito abaixo.

O que acontece com a tensão coletor-emissor do circuito acima se triplicarmos a tensão do coletor?
Provas
Analise o circuito abaixo.

Com base nas informações do circuito acima, calcule o valor da corrente I e assinale a opção correta.
Provas
Observe o circuito magnético mostrado na figura abaixo.
Sabendo-se que a relutância do cobre vale !$ 3.10{ \large (A.espira)\over Wb} !$ e a do entreferro vale !$ 4.10^6{ \large (A.espira)\over Wb} !$ e que N = 500, calcule o valor aproximado da indutância L do circuito, em Henry,e assinale a opção correta.
Provas
Memórias são dispositivos que armazenam informações. Sendo assim, analise as afirmativas e assinale a opção INCORRETA.
Provas
Os sensores conhecidos como Pt-100, Pt-1000, Ni-100 e Ni-1000 são classificados como:
Provas
No circuito elétrico da figura abaixo, que está com a chave aberta, o capacitor está descarregado.

Sabendo que o capacitor representado na figura acima atinge carga máxima após 4 constantes de tempo, quanto tempo, em ms, decorrerá para esse capacitor atingir a carga máxima, após o fechamento da chave?
Provas
Um dispositivo eletrônico conhecido como Soft-Starter baseia-se na utilização de pontes de tiristores (SCRs) comandadas por uma placa eletrônica que controla a tensão de partida de motor elétrico trifásico. O objetivo principal de utilização para esse tipo de equipamento é:
Provas
Essencialmente, um transformador consiste em dois ou mais enrolamentos acoplados por meio de um fluxo magnético comum. Ao se estabelecer uma proporção adequada entre os números de espiras do primário e do secundário, praticamente qualquer relação de transformação poderá ser obtida. Quanto às relações entre primário e secundário em um transformador ideal, é correto afirmar que:
Provas
Quanto aos elementos que compõem os sistemas de proteção contra descargas atmosféricas, assinale a opção INCORRETA.
Provas
Caderno Container