Foram encontradas 50 questões.
Analise o circuito abaixo.

Com base na representação do circuito acima assinale a opção que apresenta a corrente 1 no diodo Zener com tensão de ruptura igual a 1 O V, quando a tensão de alimentação V,entrada é igual a 20 V e 40 V, respectivamente.
Provas
Assinale a opção que apresenta o nome do fenômeno que ocorre com a corrente alternada de alta frequência, que faz com que a intensidade dessa corrente seja maior nas regiões internas bem próximo à superfície do condutor.
Provas
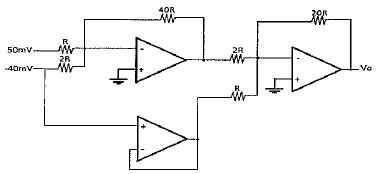
Considere os Amplificadores Operacionais abaixo funcionando com ganho diferencial infinito.

Determine o valor de Vo representado acima e assinale a opção correta.
Provas
O resultado da soma dos números hexadecimais !$ S = IED_{16} + F5A_{16} !$, na base binária, é:
Provas
Um voltímetro de 200 V fim de escala com classe de exatidão 2,0 foi utilizado para medir um barramento de 50 V. O instrumento estará dentro da sua classe de exatidão se indicar uma medida entre:
Provas
Um transformador de 440 kVA e 440 V:7,56 kV tem um rendimento de 95% quando alimenta uma carga nominal de fator de potência 0,8 indutivo. Ao conectá-lo como autotransformador de 7,56 kV:8,00 kV, sua potência aparente e suas perdas de potência total serão, respectivamente:
Provas
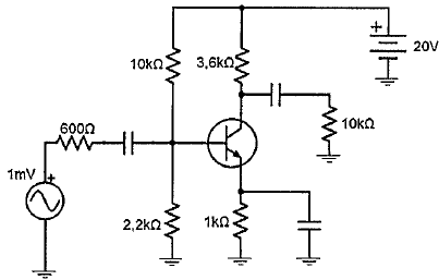
Observe o circuito do amplificador de tensão da figura abaixo.

Assinale a opção que apresenta o ganho de tensão (razão da tensão ca do coletor pela tensão ca da base) no circuito acima para !$ \beta = 100 !$.
Provas
Observe o circuito abaixo.

A fonte de tensão desse cicuito alimenta, através de uma cadeia de resistores, uma carga térmica que consome 9Kcal/h. Sabendo que a tensão sobre a carga é de 50V, calcule a tensão v1 da fonte de alimentação, em Volts, e assinale a opção correta.
Dado: !$ 1 cal \approx 4 J !$
Provas
A figura abaixo representa a programação em ladder para acionamento de 3 motores (M1, M2 e M3), a partir da utilização de um controlador lógico programável (CLP), onde A, B, C e D são os contatos de entrada.

Com base nessas informações, assinale a opção que apresenta o estado de funcionamento dos motores (ligado/desligado) para entradas definidas como A=1, B=0, C=1 e D=0 .
Provas
Em células de carga, comumente, utilizam-se quatro extensômetros ligados entre si, segundo a ponte de Wheatstone. Pela medição do desbalanceamento provocado pela deformação dos extensômetros, obtém-se o valor da força aplicada. A figura abaixo mostra o diagrama elétrico.

Sabendo que a célula de carga do diagrama acima é alimentada por uma tensão contínua de 12 V e que em dado momento de utilização dessa célula de carga a tensão medida nos terminais "c" e "d" é de 1 V e R1=R2=R3=100 !$ \Omega !$, marque a opção que apresenta o valor de R4.
Provas
Caderno Container