Foram encontradas 50 questões.
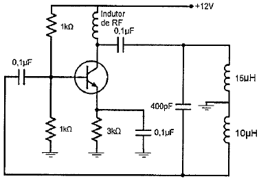
Observe a figura abaixo que representa um oscilador.

Assinale a opção que apresenta o tipo de oscilador representado acima e o valor aproximado de sua frequência de oscilação, respectivamente.
Provas
Assinale a opção que apresenta o melhor dispositivo indicado para proteção de retificadores e conversores de frequência contra curto-circuito.
Provas
Um motor de indução monofásico de 10 kW, 220 V e 60 Hz com partida a capacitor tem as seguintes impedâncias durante a partida nos enrolamentos principal e auxiliar:
Zprincipal= 3,7 +j3,7 !$ \Omega !$
Zauxiliar = 1,0 +j2,0 !$ \Omega !$
Ip = Corrente principal
Ia = Corrente auxiliar

Com base nesses dados, assinale a opção que apresenta o valor do capacitor de partida C que colocará em quadratura a corrente principal com a corrente auxiliar durante a partida.
Provas
Analise as afirmativas abaixo sobre campo magnético e assinale a opção INCORRETA.
Provas
Coloque V (verdadeiro) ou F (falso) nas afirmativas abaixo, com relação aos tipos de materiais, e assinale a opção que apresenta a sequência correta.
( ) Os materiais diamagnêticos apresentam a propriedade de alinhar seus dipolos magnéticos em sentido contrário ao campo aplicado.
( )Os materiais paramagnéticos apresentam permeabilidade relativa ligeiramente maior que μR =1.
( ) A prata tem uma permeabilidade relativa μR = 0,99998 e assim pode ser considerada um material diamagnético.
( ) Os materiais ferromagnéticos apresentam permeabilidade relativa muito menor que μR =1.
( ) O ferro não é um material ferromagnético.
Provas
Analise a figura abaixo, que apresenta as correntes em um transistor bipolar.

Sendo IB = 50 μA e IE = 10 mA, assinale a opção que apresenta o ganho de corrente (3 desse transistor.
Provas
Analise o circuito abaixo.

Considerando um diodo ideal, assinale a opção que apresenta o valor da corrente no resistor de 1 k!$ \Omega !$.
Provas
A figura abaixo ilustra um circuito digital que gera um sinal D a partir dos sinais de entrada A, B e C.

Qual é a expressão booleana do sinal D, representado na figura acima, em função de A, B e C ?
Provas
Uma bobina tem força magnetomotriz fmm = 1000 Ae e relutância !$ \mathbb{R} = 2 \times 10^6 !$ Ae/Wb. Sendo assim, calcule seu fluxo total !$ \phi !$ e assinale a opção correta.
Provas
Uma carga elétrica penetra em um campo magnético com movimento retilíneo, cuja direção faz com as linhas de fluxo um ângulo a. A intensidade da força imposta a essa carga é:
Provas
Caderno Container