Foram encontradas 750 questões.
A polia A1 de raio 60 cm, está ligada à polia 8, de raio 20 cm, por meio de uma correia inextensível. Se a polia A gira com frequência 1200rpm, determine a frequência da polia B, sabendo que não há escorregamento e assinale a opção correta.
Provas
Em relação às juntas não metálicas, qual material da junta será utilizado para fluidos corrosivos em baixas pressões e temperatura ambiente?
Provas
Analise a figura a seguir de um objeto em projeção no 1 º diedro.

Assinale a opção que apresenta uma vista do objeto representado acima em perspectiva.
Provas
Como se denomina o elemento do motor que se encarrega de converter o movimento alternativo retilíneo do êmbolo em movimento circular contínuo da árvore de manivelas?
Provas
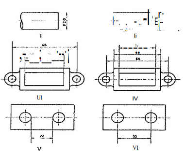
Observe as figuras a seguir.

Com relação às cotagens das figuras acima, pode-se afirmar que estão corretas apenas as figuras:
Provas
Para tubulações de ar comprimido de até 411 de diâmetro que operam com baixa pressão, qual a especificação do material do tubo mais recomendado?
Provas
Assinale a opção que apresenta a correta função do turbocompressor.
Provas
Calcule o passo, em mm, de um parafuso com rosca whitworth, sabendo que a rosca tem 32 fios por polegada e assinale a opção correta.
Provas
Que parte do motor funciona, essencialmente, como "tampão" para os cilindros e acomoda os mecanismos das válvulas de admissão e escape, bicos injetores e canais de circulação do líquido de arrefecimento?
Provas
Há diversos meios usados para conectar tubos entre si e ligar tubos às válvulas. Porém, há um tipo de ligação que tem como vantagens estanqueidade perfeita e permanente e boa resistência mecânica. Assinale a opção que apresenta esse tipo de ligação.
Provas
Caderno Container