Foram encontradas 750 questões.
Observe as figuras a seguir.

Com relação às figuras aolrna, identifique os símbolos de solda e assinale a opção que apresenta, respectivamente as corretas nomeclaturas.
Provas
Todos os tubos de aços-liga são bem mais caros do que os de aço-carbono, sendo geralmente o custo tanto mais alto quanto maior for a quantidade de elementos da liga. Além disso! a montagem e soldagem desses tubos é também em geral mais difícil e mais cara. Porém, há casos em que se justifica o emprego dos aços-liga. Assinale a opção que apresenta uma justificativa para o emprego desse tipo de aço.
Provas
A principal finalidade do sistema de lubrificação do motor é:
Provas
Utiliza-se o parafuso sem cabeça com sextavado interno para:
Provas
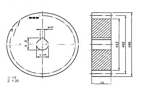
Observe a figura abaixo:

Com base na figura acima faça a correlação entre os elementos da engrenagem e seus valores, assinalando a seguir a opção correta.
ELEMENTOS
1- diâmetro externo.
11- diâmetro primitivo.
111- diâmetro interno.
IV- largura
V- módulo.
VI- número de dentes.
VALORES
( ) 20
( ) 53
( ) 3
( ) 66
( ) 60
( ) 18
Provas
Observe a figura abaixo.

O desenho acima é a representação em vista isométrica, no primeiro diedro, de uma peça. Para representá-la corretamente no primeiro diedro, segundo as normas de desenho técnico, é preciso desenhar, pelo menos, as vistas
Provas
Leia o trecho a seguir:
"... destinado à obtenção de superfícies regradas, geradas por um movimento retillneo alternativo da peça ou da ferramenta, no sentido horizontal ou vertical."
Tomando como base o trecho em destaque, pode-se classificar essa operação de usinagem como:
Provas
Assinale a opção que apresenta os aspectos que devem ser observados para a montagem dos anéis de seguimento.
Provas
Segundo a norma NB-541 da ABNT, recomenda-se o uso de cores para a identificação das tubulações. Das opções abaixo quais cores correspondem às tubulações de água, vapor, ar comprimido e combustíveis inflamáveis de alta viscosidade, respectivamente?
Provas
Para a especificação de um rebite, é necessário:
Provas
Caderno Container