Foram encontradas 750 questões.
Analise a figura a seguir:.

eretenie da engrenagem: dentes
Correlacione as letras indicadas na figura acima com o seu significado e a seguir assinale a opção correta.
SIGNIFICADO
I- Medida do arco limitada pelo dentei sobre a circunferência primitiva (determinada pelo diâmetro primitivo).
li- O vazio que fica entre dois dentes consecutivos também delimitados por um arco do diâmetro primitivo.
lii- A soma dos arcos da espessura e do vão.
IV- Parte do dente que fica entre a circunferência primitiva a circunferência externa da engrenagem.
V- Parte do dente que fica entre a circunferência primitiva e a circunferência interna (ou raiz).
VI- Corresponde à soma da altura da cabeça mais a altura do pé do dente.
LETRAS
( ) P = passo
( ) a= cabeça
( ) e = espessura
( ) h = altura
( ) v = vão
( ) b = pé
Provas
Assinale a opção que completa corretamente a lacuna da sentença abaixo:
"Destinado(a) a obtenção de superfícies de revolução com o emprego de uma ou várias ferramentas de barra. ___________ pode ser cilíndrico(a). __________ cônico(a) etc."
Provas
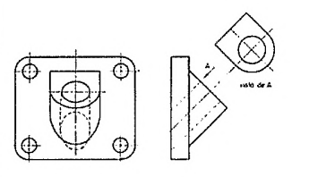
Observe a figura abaixo.

Com relação às vistas para representação da figura acima, pode-se afirmar que a "vlsta de A'' representa uma vista:
Provas
Uma peça de 100 mm de diâmetro está sendo usinada em um torno com o seu eixo-árvore girando a 190 rpm. Determine a velocidade de corte em m/min e assinale a opção correta. Dado: TT=3, 14
Provas
Em relação aos elementos de transmissão, as correias mais comuns são:
Provas
Observe a figura abaixo.

As indicações em desenhos para a fabricação de peças são inscritas em um quadrado retangular, dividido em duas ou três partes. conforme a figura acima. Assim, qual a ordem a ser seguida para a correta indicação em desenhos?
Provas
Qual tipo de junta de expansão de fole é empregada em serviços severos com pressões altas ou quando se exigem maiores condições de segurança?
Provas
Com relação à Cilindrada de um motor, pode-se afirmar:
I- a cilindrada representa a quantidade de mistura ar combustível que o motor consegue conter em seus cilindros.
li- é expressa em metros cúbicos ou, comercialmente, em litros.
lii- representa o somatório dos volumes internos dos cilindros do motor.
Assinale a opção correta.
Provas
Calcule o diâmetro da cabeça de um rebite de cabeça redonda larga sabendo que o diâmetro do seu corpo mede 5 mm e assinale a opção correta.
Provas
Como o ciclo de trabalho é caracterizado nos motores Diesel?
Provas
Caderno Container