Foram encontradas 50 questões.
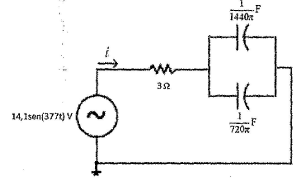
Analise o circuito abaixo.

Para o circuito acima, em regime permanente, qual é o módulo do valor eficaz da corrente i indicada na figura?
Dados: \( \sqrt2 \) = 1,41 e frequência = 60 Hz.
Provas
Analise o circuito abaixo.

Dado o circuito acima, calcule a energia armazenada pelo indutor considerando que o circuito está em regime permanente e assinale a opção correta.
Provas
Analise o diagrama abaixo.

Segundo a NBR-5410:2004, o esquema de aterramento representado no diagrama acima é:
Provas
Um transformador monofásico de 440/220 V e 75 kVA submetido a um ensaio de curto-circuito e a um ensaio a vazio apresentou os resultados abaixo.
| Ensaio | Curto-circuito | A vazio |
| Potência (W) | 750 | 250 |
| Tensão (V) | 7 | 220 |
| Corrente (A) | 170 | 2 |
A partir desses resultados, assinale a opção que apresenta as perdas aproximadas nos enrolamentos de cobre, para uma corrente equivalente a 80% da corrente nominal.
Provas
Uma bobina de N espiras é atravessada perpendicularmente por um fluxo magnético \( \Phi \). Segundo a lei de Faraday, NÃO haverá tensão induzida na bobina se ela:
Provas
Analise o símbolo abaixo.

Nos projetos de instalações elétricas, são utilizados simbolos que representem equipamentos/dispositivos. Além disso,.esses simbolos são definidos em normas para padronização de projetos elétricos. Nesse contexto, o simbolo apresentado acima é comumente utilizado para representar um:
Provas
Existem diversos métodos de cálculo de iluminação para um determinado ambiente. O método mais simples, porém de menor precisão, baseia-se na determinação do fluxo luminoso necessário para se obter um iluminamento médio desejado no ambiente e utiliza a expressão: \( \psi_t = \dfrac{E*S}{F_u*dl} \), que relaciona fluxo total a ser emitido \( (\psi_t) \) com o iluminamento médio (E), a área do recinto (S) e os fatores de utilização e de depreciação \( (F_u \, e \, F_{dl}) \). Esse método é conhecido como método:
Provas
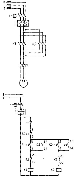
Analise a figura abaixo.

Os diagramas de força e comando para a partida de um motor trifásico são apresentados nas figuras acima. Assinale a opção que apresenta o tipo de partida, a função do contato K1(13;14) e a função do contato K2(21;22).
Provas
Analise a figura abaixo.

Motores de indução trifásicos podem ter os terminais das bobinas dos seus enrolamentos estatóricos ligados de maneiras diversas, permitindo que o mesmo motor opere em diferentes tensões e correntes. Assim, qual ligação está representada na figura acima?
Provas
Analise a figura abaixo.

Para a carga desequilibrada abaixo Vab=220 |0º V, Vbc=220 |-120º V e VCa=220 |+120º V. Assinale a opção que apresenta os valores de iab e de ic.
Provas
Caderno Container