Foram encontradas 50 questões.
Considere o circuito da figura abaixo.

Dados:
E1 = 12 V;
E2 = 5 V;
R1 = 3 k\( \Omega \);
R2 = 2 k\( \Omega \);
R3 = 5 k\( \Omega \) ;e
L = 138 \( mH \).
Assinale a opção que apresenta a constante de tempo \( \tau \) do circuito.
Provas
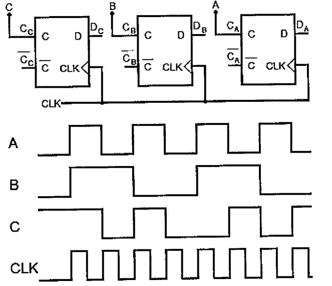
Considere o circuito digital abaixo composto por flip-flops tipo D e as formas de ondas dos sinais A, B, C e CLK.

Analise as afirmativas abaixo, sabendo que as formas de onda acima serão geradas pelo circuito, e assinale a opção correta,
I- \( D_A=\overline{C_A}. \)
II- O sinal DB pode ser determinado como CA \( \oplus \) CB.
III. O sinal Dc, pode ser determinado como \( C_B.\ \overline{C_C}+\overline{C_B}.\left(C_A\oplus C_C\right). \)
Provas
Um sinal \( m(t) \) modulado em ângulo com portadora \( f_c=100\ MHz \) é descrito pela equação abaixo.
\( \varphi (t) = 20.cos [2\pi.f_ct+m(t)] \)
Sendo \( m(t) \) = 10.sen(3.105. \( \pi \).\( t \)) + 15.sen(2.105.\( \pi.t \)), assinale a opção que apresenta a potência P, o desvio de frequências \( \Delta \)\( f \) e a largura de banda B de \( m(t) \).
Provas
Examine a figura abaixo.

Considere a figura acima, que mostra uma barra isolante, de comprimento L= \( 15 cm \), com carga elétrica q = 9.10-15 C uniformemente distribuída. Calcule o módulo do campo elétrico, em Newton/Coulomb, produzido no ponto P, situado no eixo x, a uma distância de \( a = 3 \) \( cm \) da extremidade da barra, e assinale a opção correta.
Provas
Considere o circuito abaixo.

Dados:
RA = 5 \( k \Omega \);
RB = 10\( k \Omega \); e
RL = 2 \( k \Omega \) .
Determine o ganho de potência em dB e assinale a opção correta,
Provas
Examine o diagrama abaixo.

Assinale a opção que apresenta função de transferência G(s) que possui a forma correspondente ao gráfico de magnitude do diagrama de Bode acima.
Provas
Examine a figura abaixo.

Um semicírculo metálico de massa m e raio R, submetido a uma aceleração da gravidade de módulo g, encontra-se pendurado pelas suas extremidades por dois suportes, conforme mostrado na figura acima. O semicírculo está submetido a um campo magnético de módulo B que atravessa perpendicularmente o seu plano no sentido indicado na figura. Determine o valor do módulo da corrente elétrica \( i \) que deve ser gerada através do semicírculo para que não haja tensão mecânica nos suportes e assinale a opção correta.
Provas
Analise o capacitor C e o gráfico da sua tensão \( v(t) \) em Volts.

Considerando o intervalo de tempo do gráfico, assinale a opção que apresenta, respectivamente, o maior valor absoluto da corrente \( i(t) \) e o maior valor de energia armazenada no capacitor.
Provas
Considere o circuito abaixo, que contém um amplificador operacional ideal.

Assinale a opção que apresenta a função de transferência H(s) = Eo(s)/E\( i \)(s).
Dados:
R1 = 10 k\( \Omega \);
R2 = 100 k\( \Omega \),e
C = 100 \( \mu \)F.
Provas
A figura abaixo mostra duas pessoas arrastando um cofre a partir do repouso, produzindo um deslocamento \( \left|_d^{\rightarrow}\right| \) = \( 5 m \).

A “PESSOA 1" faz uma força de \( 10\sqrt{2}\ N \) para empurrar a caixa, com um ângulo de 30º para baixo em relação à horizontal: a “PESSOA 2” faz uma força \( 10\sqrt{3}\ N \) para puxar a caixa, com ângulo de 45º para cima em relação à horizontal. Considere que as forças e as direções não variam quando a caixa se desloca e que o atrito com o piso é desprezível, e assinale a opção que apresenta o trabalho total realizado pelas duas forças durante o deslocamento \( \left|_d^{\rightarrow}\right| \) .
Provas
Caderno Container