Magna Concursos

Foram encontradas 50 questões.

3757588 Ano: 2024
Disciplina: Engenharia Eletrônica
Banca: Marinha
Orgão: Marinha

Considere o circuito da figura abaixo.

Dados:

\( E_1 12v;\\E_2 = 5V;\\R_1 = 3k\Omega;\\R_2 = 2 k\Omega;\\R_3 = 5k\Omega; e\\L=138mH \)

Assinale a opção que apresenta a constante de tempo \( \tau \) do circuito.

 

Provas

Questão presente nas seguintes provas
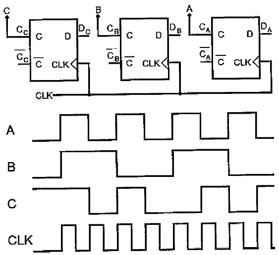
3757587 Ano: 2024
Disciplina: Engenharia Eletrônica
Banca: Marinha
Orgão: Marinha

Considere o circuito digital abaixo composto por flip-flops tipo D e as formas de ondas dos sinais \( A \), \( B \), \( C \) e \( CLK \).

Enunciado 4536915-1

Analise as afirmativas abaixo, sabendo que as formas de onda acima serão geradas pelo circuito, e assinale a opção correta,

I. \( D_A = \overline{C}_A \)

II. O sinal \( D_B \) pode ser determinado como \( C_A\oplus C_B \).

III. O sinal \( D_C \), pode ser determinado como \( C_B.\overline{C}_C + \overline{B}.(C_A \oplus C_C) \).

 

Provas

Questão presente nas seguintes provas
3757586 Ano: 2024
Disciplina: Engenharia Eletrônica
Banca: Marinha
Orgão: Marinha

Examine o diagrama abaixo.

Enunciado 4536909-1

Assinale a opção que apresenta função de transferência G(s) que possui a forma correspondente ao gráfico de magnitude do diagrama de Bode acima.

 

Provas

Questão presente nas seguintes provas
3757585 Ano: 2024
Disciplina: Engenharia Eletrônica
Banca: Marinha
Orgão: Marinha

Considere o circuito abaixo, que contém um amplificador operacional ideal.

Enunciado 4536906-1

Assinale a opção que apresenta a função de transferência \( H(S) = E_o (S)/E_i(S) \).

Dados:
\( R_1 = 10k\Omega \)
\( R_2 = 100k\Omega;e \)
\( C=100 \mu F \)

 

Provas

Questão presente nas seguintes provas
3757584 Ano: 2024
Disciplina: Engenharia Eletrônica
Banca: Marinha
Orgão: Marinha

Considere o sistema da figura abaixo.

Enunciado 4536598-1

Dada a função de transferência G(s) abaixo, calcule os valores de Kp de modo que o sistema seja estável e assinale a opção correta.

\( G(s) = \dfrac{2}{Sç33+5.s^2+4.s} \)

 

Provas

Questão presente nas seguintes provas
3757583 Ano: 2024
Disciplina: Engenharia Eletrônica
Banca: Marinha
Orgão: Marinha

A respeito de sistemas de controle no espaço de estados, é correto afirmar que:

 

Provas

Questão presente nas seguintes provas
3757582 Ano: 2024
Disciplina: Engenharia Eletrônica
Banca: Marinha
Orgão: Marinha

Examine o circuito abaixo.

Enunciado 4536594-1

Considere o circuito limitador acima, em que os diodos D1 e D2, em condução, possuem queda de tensão constante de 0,7 V e 0,8 V, respectivamente. Para uma tensão de entrada \( v_t(t)=5,5.sen(\omega.t) \), assinale a opção que apresenta o período de tempo, em porcentagem, em que O sinal não é limitado pelo circuito.

Dados:

sen(45º) \( \cong \) 0,71;

sen(60) \( \cong \) 0,87,

 

Provas

Questão presente nas seguintes provas
3757581 Ano: 2024
Disciplina: Engenharia Eletrônica
Banca: Marinha
Orgão: Marinha

Considere os sinais \( F(t), f_1(t),f_2(t) \), suas respectivas Transformadas de Laplace \( F(s),F_1(s) \) e \( F_2(s) \), Os escalares \( a,a_1,a_2 \), e \( u(t) \) sendo a função degrau unitário. Analise as afirmativas abaixo e assinale a opção correta.

I. \( L[a_1.f_1(t) + a_2.f_2(t)]=a_1.F_1(s) + a_1.F(S) + a_2.F_2(s) \)

II. \( L[f(t-a).u(t-a)]=e^{a.t}.F(s), a\ge 0 \)

III. \( L[f(t/a)]=(1/a).F(a.s),a \ne 0 \)

IV. \( L[e^{-a.t}.f(t)]=F(S+a) \)

V. \( L[\dfrac{d}{dt}f(t)]=s.F(s)=f(0_) \)

 

Provas

Questão presente nas seguintes provas
3757580 Ano: 2024
Disciplina: Engenharia Eletrônica
Banca: Marinha
Orgão: Marinha

Considere o circuito combinacional da figura abaixo

Enunciado 4536591-1

Determine as condições de entrada necessárias para gerar uma saída S=1 e assinale a opção correta.

 

Provas

Questão presente nas seguintes provas
3757579 Ano: 2024
Disciplina: Engenharia Eletrônica
Banca: Marinha
Orgão: Marinha

Considere o sistema linear invariante no tempo descrito pela equação de diferenças abaixo.

\( y[n+2]-y[n+1]+0,21.y[n]=x[n+z]+0,32.x[n] \)

Sobre esse sistema, é correto afirmar que: F(z) z+0,32

 

Provas

Questão presente nas seguintes provas