Foram encontradas 1.154 questões.
Acerca da faixa de frequências VHF, julgue os itens que se seguem.
A ionosfera é utilizada para reflexão dos campos em todas as frequências, inclusive na faixa de frequência VHF.
Provas
Julgue os itens seguintes, relativos às características das antenas.
A antena log-periódica de dipolos é uma antena de banda larga, em que os dipolos são devidamente conectados ao longo de uma linha de transmissão.
Provas
Julgue os itens seguintes, relativos às características das antenas.
A área efetiva da antena corneta é dada pela área física da sua boca e independe da frequência de operação.
Provas

A figura acima ilustra três antenas dipolos de meia onda, situadas no mesmo plano e que operam no espaço livre. As distâncias entre as antenas são suficientes para considerar que todas estão operando em campo distante. Com base nessas informações, julgue os itens a seguir.
A antena A está casada em polarização com a antena C.
Provas
No que se refere a espectro eletromagnético, banda passante e canal, julgue o item subsequente.
Um canal de transmissão é caracterizado por sua resposta em frequência, a partir da qual é possível obter parâmetros de projeto de sistemas de comunicação, como a largura de faixa do canal e a necessidade de modulação.
Provas
Com relação aos serviços de radiodifusão, julgue o item que se segue.
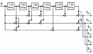
Considere que a figura abaixo represente um dos codificadores do padrão DRM (digital radio mondiale). Nesse sentido, é correto afirmar que essa figura refere-se a um codificador convolucional com taxa igual a 1/6. O polinômio gerador correspondente à saída bo,i é descrito, na base octal, por 137.

Provas
Com relação aos serviços de radiodifusão, julgue os itens que se seguem.
O padrão de rádio DRM (digital radio mondiale) utiliza a técnica de transmissão OFDM (orthogonal frequency division multiplexing) com várias alternativas de modulação digital, como 4-QAM, 16-QAM e 64-QAM.
Provas
Com relação aos serviços de radiodifusão, julgue os itens que se seguem.
Em uma análise de sistemas de comunicação ancilares e auxiliares para um serviço de radiodifusão, é importante especificar o posicionamento e a orientação geográfica das antenas, assim como considerar os dados provenientes dos diagramas de irradiação.
Provas
Com relação aos serviços de radiodifusão, julgue os itens que se seguem.
Em um sistema de radio difusão FM analógico, o transmissor deve realizar a pré-ênfase sobre o sinal a ser modulado para melhorar a relação sinal/ruído do sinal demodulado. O receptor, por sua vez, deve realizar a de-ênfase, após a demodulação FM, de modo a restaurar as características espectrais do sinal a ser modulado.
Provas
No que se concerne à transmissão e à recepção de sinais analógicos e digitais em sistemas de comunicação, julgue os itens a seguir.
Uma transmissão AM-DSB-SC pode ser demodulada de maneira assíncrona. As modulações QAM e SSB, por sua vez, necessitam de um sinal de portadora gerada localmente no receptor para recuperar a mensagem enviada.
Provas
Caderno Container