Foram encontradas 1.396 questões.

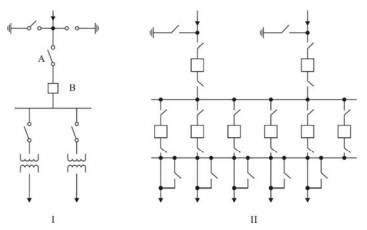
Tendo como referência o diagrama precedente, julgue o item subsecutivo, em relação ao projeto de redes de distribuição de energia.
Em relação ao circuito I, o dispositivo A permite a manobra de ligar e desligar os alimentadores, enquanto o dispositivo B é um elemento de proteção.
Provas

Tendo como referência o diagrama precedente, julgue o item subsecutivo, em relação ao projeto de redes de distribuição de energia.
O circuito II apresenta uma configuração de barra principal e de transferência.
Provas

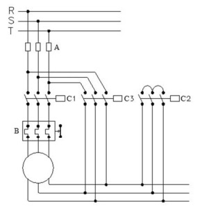
Em relação ao esquemático precedente, julgue o item que se segue.
O dispositivo C2 está ligado na configuração triângulo.
Provas

Em relação ao esquemático precedente, julgue o item que se segue.
O dispositivo A protege o circuito contra corrente de curto-circuito.
Provas

Em relação ao esquemático precedente, julgue o item que se segue.
O esquemático representa o circuito de comando de um motor trifásico.
Provas

Em relação ao esquemático precedente, julgue o item que se segue.
O dispositivo B atua pelo efeito térmico da corrente elétrica que o atravessa.
Provas

Com base no projeto elétrico precedente, e considerando que a tensão local é de 220 V, julgue o item a seguir.
Os circuitos presentes no banheiro estão divididos conforme preconiza a norma.
Provas

Com base no projeto elétrico precedente, e considerando que a tensão local é de 220 V, julgue o item a seguir.
O chuveiro deve ser protegido com um disjuntor de 20 A.
Provas

Com base no projeto elétrico precedente, e considerando que a tensão local é de 220 V, julgue o item a seguir.
O cômodo apresentado, pelas características da instalação, dispensa o uso de dispositivo diferencial-residual como medida adicional de proteção.
Provas
Acerca de condutores e isolantes elétricos, julgue o seguinte item.
Nas instalações elétricas de modo geral, as normas brasileiras admitem a utilização de condutores com isolação feita de materiais propagadores de chama, desde que possuam adequada isolação elétrica para o nível de tensão empregado.
Provas
Caderno Container