Foram encontradas 1.396 questões.
A respeito de máquinas elétricas, geradores e motores e circuitos de corrente contínua, julgue o próximo item.
O motor de indução trifásico é também chamado de motor assíncrono porque só produz conjugado diferente de zero em velocidades diferentes da síncrona.
Provas
A respeito de máquinas elétricas, geradores e motores e circuitos de corrente contínua, julgue o próximo item.
O princípio de funcionamento do acionamento delta-estrela é aplicar, na partida, uma tensão fase-neutro no enrolamento do motor e, em seguida, com o aumento da velocidade e redução da corrente, aplicar nesse mesmo enrolamento a tensão fase-fase.
Provas
A respeito de máquinas elétricas, geradores e motores e circuitos de corrente contínua, julgue o próximo item.
Em um transformador, a tensão é proporcional ao número de espiras do enrolamento, enquanto a corrente é inversamente proporcional ao número de espiras; dessa forma, desprezando as perdas e a dispersão, a potência aparente de entrada será igual à potência aparente de saída do transformador.
Provas

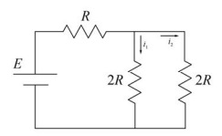
Com base no circuito elétrico em corrente contínua da figura precedente, julgue o item subsequente.
A queda de tensão em R será igual ao dobro da queda de tensão em 2R, independentemente do valor de R.
Provas

Com base no circuito elétrico em corrente contínua da figura precedente, julgue o item subsequente.
Independentemente do valor de R, i1 = i2.
Provas
A respeito das grandezas elétricas e magnéticas e de suas formas de representação, julgue o item que se segue.
No circuito a seguir, se o chuveiro for uma resistência que dissipa 6,6 kW, então o amperímetro aferirá uma corrente elétrica de 30 A.

Provas
A respeito das grandezas elétricas e magnéticas e de suas formas de representação, julgue o item que se segue.
Na figura a seguir, que apresenta os símbolos de três tomadas, (a) é uma tomada alta de 300 VA, (b) é uma tomada média de 600 VA e (c) é uma tomada baixa de 2.000 VA.

Provas
- Transformadores e Máquinas ElétricasMáquinas EstáticasTransformador de Corrente
- Transformadores e Máquinas ElétricasMáquinas EstáticasTransformador de Potência
A respeito das grandezas elétricas e magnéticas e de suas formas de representação, julgue o item que se segue.
O princípio de funcionamento de um transformador se baseia na variação do fluxo magnético no núcleo de ferro e, por esse motivo, os transformadores só funcionam em corrente alternada.
Provas
A respeito das grandezas elétricas e magnéticas e de suas formas de representação, julgue o item que se segue.
No sistema internacional (SI), as unidades de tensão, corrente e potência são, respectivamente, volt (V), ampère (A) e watt (W).
Provas
A respeito de banco de dados, julgue o próximo item.
Os bancos de dados que têm a arquitetura orientada a objeto armazenam os dados em tabelas com seus respectivos atributos.
Provas
Caderno Container