Foram encontradas 2.008 questões.
Em um transformador de corrente:
Provas
Considere as seguintes proposições referentes a dispositivos de proteção.
I. Os disjuntores devem possuir câmaras de extinção de arcos.
II. Fusíveis e disjuntores possuem funções semelhantes, sem que, em determinados casos, a presença de um elimine a do outro.
III. Normalmente a capacidade de ruptura dos fusíveis de baixa tensão tipo NH é maior do que a de disjuntores.
Está correto o que se afirma em
Provas
Considere as seguintes proposições referentes a dispositivos elétricos de média tensão.
I. O desligamento dos disjuntores se faz por molas que são destravadas pela ação automática de relés ou senão por via mecânica direta, manual, por ar comprimido ou motor.
II. São elementos de acionamento de seccionadores os punhos, as alavancas e as chaves fim de curso.
III. Os seccionadores de média tensão permitem a verificação visual da interrupção do circuito.
Está correto o que se afirma em
Provas
Para medição de energia elétrica em um sistema trifásico a 4 condutores, com fases R, S e T, e neutro, é necessário um medidor com
Provas
Um alternador síncrono trifásico de pólos salientes, bipolar, com escovas, utilizado em um conjunto de geração de emergência possui os enrolamentos rotóricos
Provas
Um motor elétrico de indução trifásico de 25 cv, 380 V, opera a plena carga com rendimento de 90%. A relação entre a potência ativa e a potência aparente absorvida pelo motor é 0,8. A corrente elétrica absorvida pelo motor, em A, é aproximadamente,
Provas
Um transformador trifásico com potência nominal de 500 kVA, possui tensões nominais de linha de 5000 V no primário e 200 V no secundário. O primário está ligado em triângulo e o secundário em estrela. O valor da corrente nominal de fase no primário, em A, é aproximadamente,
Provas
Em uma máquina CC é denominada reação do induzido ao conjunto de fenômenos eletromagnéticos causados pela
Provas
Um gerador monofásico de 200 V(rms) alimenta duas cargas reativas ligadas em série, sendo uma impedância capacitiva pura
e uma impedância indutiva
A carga capacitiva consome 6 kVAr enquanto que a carga indutiva consome 4 kW e 3 kVAr. O módulo da corrente fornecida pelo gerador e o fator de potência total visto por ele valem, respectivamente,
Provas
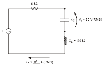
Observe o circuito abaixo.

O módulo da tensão eficaz do gerador vale, aproximadamente,
Provas
Caderno Container