Foram encontradas 1.425 questões.
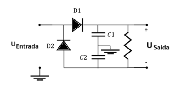
A figura abaixo apresenta um circuito composto de dois
capacitores C1 e C2 e dois diodos D1 e D2.

O sinal de entrada, UEntrada, é um sinal de tensão senoidal. O sinal de saída, USaída, é um sinal em corrente contínua.
Esse circuito é um:

O sinal de entrada, UEntrada, é um sinal de tensão senoidal. O sinal de saída, USaída, é um sinal em corrente contínua.
Esse circuito é um:
Provas
Questão presente nas seguintes provas
A corrente elétrica de linha no primário de um transformador de
potência de 15√3 MVA e tensão de linha de 25 kV é monitorada
por um TC com relação de transformação igual a 150.
O valor da corrente elétrica de linha no primário desse transformador de potência quando a corrente do TC apresenta 0,5 A é:
O valor da corrente elétrica de linha no primário desse transformador de potência quando a corrente do TC apresenta 0,5 A é:
Provas
Questão presente nas seguintes provas
A figura abaixo apresenta o circuito equivalente de um motor CC
em derivação alimentado em 200 V e com uma rotação a vazio de
1000 rpm. Os enrolamentos de compensação têm uma
resistência de armadura de 0,05 Ω, e o circuito de campo tem
uma resistência total de 50 Ω, produzindo uma velocidade a vazio
de 1000 rpm.

A velocidade desse motor quando a corrente de entrada (IL) é 50 A é:

A velocidade desse motor quando a corrente de entrada (IL) é 50 A é:
Provas
Questão presente nas seguintes provas
A respeito da estrutura básica das máquinas elétricas rotativas, é
correto afirmar que:
Provas
Questão presente nas seguintes provas
Considere um motor de indução trifásico com 6 polos, velocidade
do rotor de 1170 rpm, alimentado por uma fonte na frequência
de 60 Hz.
O escorregamento desse motor é:
O escorregamento desse motor é:
Provas
Questão presente nas seguintes provas
A seguir são apresentados dois testes realizados com
transformador e quatro aspectos a que cada um dos testes se
relaciona.
I. Teste de curto-circuito.
II. Teste de circuito aberto.
( ) Perdas no núcleo.
( ) Rendimento e regulação de tensão.
( ) Perdas no cobre.
( ) Parâmetros do ramo de magnetização.
A correlação entre os testes e os aspectos relacionados a eles, considerando a sequência de cima para baixo, está corretamente indicada em:
I. Teste de curto-circuito.
II. Teste de circuito aberto.
( ) Perdas no núcleo.
( ) Rendimento e regulação de tensão.
( ) Perdas no cobre.
( ) Parâmetros do ramo de magnetização.
A correlação entre os testes e os aspectos relacionados a eles, considerando a sequência de cima para baixo, está corretamente indicada em:
Provas
Questão presente nas seguintes provas
A respeito de máquinas síncronas trifásicas, analise as afirmativas
a seguir.
I. O motor girando em vazio atua como um condensador, permitindo o seu uso na correção de fator de potência.
II. O controle da tensão em um gerador que alimenta cargas que possuam componente reativo pode ser realizado na variação da corrente de excitação.
III. A velocidade do motor pode ser variada por meio do fluxo de corrente da excitatriz.
Está correto o que se afirma em:
I. O motor girando em vazio atua como um condensador, permitindo o seu uso na correção de fator de potência.
II. O controle da tensão em um gerador que alimenta cargas que possuam componente reativo pode ser realizado na variação da corrente de excitação.
III. A velocidade do motor pode ser variada por meio do fluxo de corrente da excitatriz.
Está correto o que se afirma em:
Provas
Questão presente nas seguintes provas
A respeito do sistema trifásico estrela-estrela desequilibrado com
o neutro aberto, analise as afirmativas a seguir.
I. A tensão nas fases de cada carga monofásica que compõe a carga trifásica é a soma fasorial da tensão correspondente da fonte e a diferença de potencial entre os neutros da fonte e carga.
II. O somatório das correntes nas fases da carga sempre será igual a zero.
III. A potência aparente trifásica é dada pela expressão N = √3xULinhaxILinha.
Está correto apenas o que se afirma em:
I. A tensão nas fases de cada carga monofásica que compõe a carga trifásica é a soma fasorial da tensão correspondente da fonte e a diferença de potencial entre os neutros da fonte e carga.
II. O somatório das correntes nas fases da carga sempre será igual a zero.
III. A potência aparente trifásica é dada pela expressão N = √3xULinhaxILinha.
Está correto apenas o que se afirma em:
Provas
Questão presente nas seguintes provas
Um equipamento elétrico indutivo trifásico equilibrado na
configuração estrela atrasa a corrente elétrica em 60º em relação
à tensão. A sua alimentação é realizada por uma fonte com as
tensões de linha VAB, VBC e VCA com ângulos iguais a,
respectivamente, +30º
, -90º e +150º
.
As correntes nas fases A, B e C do equipamento possuem, respectivamente, ângulos iguais a:
As correntes nas fases A, B e C do equipamento possuem, respectivamente, ângulos iguais a:
Provas
Questão presente nas seguintes provas
A respeito do sistema trifásico estrela-estrela equilibrado, analise
as afirmativas a seguir.
I. As potências complexas em cada uma das cargas monofásicas que compõem a carga trifásica estão defasadas entre si em 120º .
II. As correntes nas linhas da carga trifásica estão defasadas em 120º umas das outras.
III. As correntes de fase na fonte são iguais às correntes de fase na carga trifásica.
Está correto apenas o que se afirma em:
I. As potências complexas em cada uma das cargas monofásicas que compõem a carga trifásica estão defasadas entre si em 120º .
II. As correntes nas linhas da carga trifásica estão defasadas em 120º umas das outras.
III. As correntes de fase na fonte são iguais às correntes de fase na carga trifásica.
Está correto apenas o que se afirma em:
Provas
Questão presente nas seguintes provas
Cadernos
Caderno Container