Foram encontradas 100 questões.
As ondas eletromagnéticas apresentam como características: comprimento de onda, velocidade de propagação, amplitude e frequência, e são passíveis de sofrer qualquer tipo de fenômeno ondulatório conhecido, tais como reflexão, refração, polarização, difração, espalhamento, absorção e interferência. Nesse contexto, uma onda eletromagnética, de frequência igual a 20 GHz, vai se propagar no vácuo na velocidade da luz, cujo valor é de 3,0 x 108 m/s, com um comprimento de onda igual a
Provas
Observe a figura abaixo, sendo

Os valores da corrente que flui sobre o resistor de 2,2 k!$ \Omega !$ e da tensão Vo são iguais, respectivamente, a
Provas
Observe o circuito da figura, sendo que I2 indica o valor 0 no display.

Nessas condições, I1, I3 e R são, respectivamente,
Provas
No que diz respeito às características e funcionamento de um amplificador operacional, observe a figura abaixo, que ilustra um desses dispositivos operando como um amplificador não inversor ou multiplicador de ganho constante, onde Vi = 2 V; Rf = 500 k!$ \Omega !$ e R1 = 100 k!$ \Omega !$.

A tensão de saída Vo é igual a
Provas
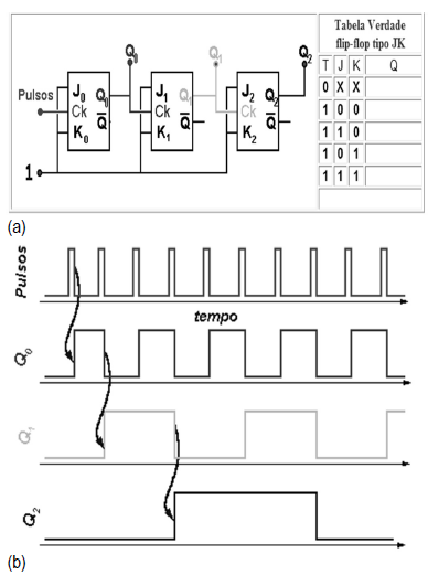
Observe as figuras abaixo, o circuito lógico em (a) e o gráfico que representa seu funcionamento em (b).

Esse circuito opera com flip-flop e é denominado
Provas
Uma lâmpada residencial de LED está especificada por 110V/20W. Um perito da especialidade engenharia eletrônica precisa saber:
I. a quantidade de energia elétrica consumida pela lâmpada num período de 10 horas diárias num mês de 30 dias;
II. o valor a ser pago por esse consumo, sabendo que a empresa de energia elétrica cobra a tarifa de R$1,20 por kWh mais um imposto de 10%.
Os valores indicados em (I) e em (II) são, respectivamente,
Provas
Um link de 22 km usa uma fibra óptica cuja atenuação é de 1dB/km, conforme ilustrado na figura abaixo:

A fibra é conectada a outra fibra a cada 1 km usando-se conectores cuja atenuação é de 1 dB. A potência mínima que deve ser transmitida para que o receptor receba 0,3!$ \mu !$W é
Provas
No Brasil, de acordo com a Norma Regulamentadora 33, que trata da segurança e da saúde nos trabalhos em espaços confinados, analise os itens a seguir:
I. identificar os riscos específicos de cada espaço confinado;
II. utilizar adequadamente os meios e equipamentos fornecidos pela empresa;
III. comunicar ao Vigia e ao Supervisor de Entrada as situações de risco para sua segurança e saúde ou de terceiros, que sejam do seu conhecimento.
Assinale
Provas
No que se refere aos sistemas de comunicação, dois dos fatores de degradação da qualidade do sinal são descritos a seguir:
I. É caracterizado pela ocorrência de reflexão de parte do sinal ao longo de uma transmissão.
II. É caracterizado pela “perda”, por um curto intervalo de tempo, da portadora de um sinal de dados
Esses fatores são conhecidos, respectivamente, por
Provas
Com relação à NR 10, que trata da segurança em instalações e serviços em eletricidade, assinale V para a afirmativa verdadeira e F para a falsa.
( ) Os circuitos elétricos com finalidades diferentes, tais como comunicação, sinalização, controle e tração elétrica devem ser identificados e instalados separadamente, salvo quando o desenvolvimento tecnológico permitir compartilhamento, respeitadas as definições de projetos.
( )É considerado trabalhador qualificado aquele que comprovar conclusão de curso médio na área elétrica reconhecido pelo Sistema Particular de Ensino.
( ) A empresa deve possuir métodos de resgate padronizados e adequados às suas atividades, disponibilizando os meios para a sua aplicação.
As afirmativas são, respectivamente,
Provas
Caderno Container