Foram encontradas 3.569 questões.

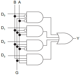
O circuito lógico mostrado na figura é um:
Provas
A representação do número (101001,101)2 na base 16 é:
Provas

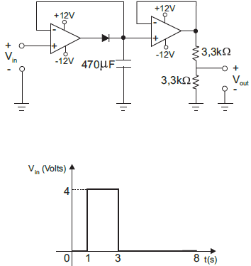
O gráfico apresenta o sinal de entrada Vin(t) aplicado no circuito da figura.
Considerando que o diodo e os amplificadores operacionais são ideais e que o capacitor encontra-se descarregado em t=0, a tensão de saída Vout(t), calculada em t=8 segundos, é, em volts, igual a:
Provas

A figura ilustra um voltímetro eletrônico, onde a chave S permite selecionar a escala de valores de tensões. Sabe-se que a corrente de fundo de escala do mostrador é de 100 !$ \mu !$A e que o amplificador operacional pode ser considerado ideal. A tensão V máxima, em volts, que deverá ser medida com a chave S conectada na posição 3 é:
Provas

A expressão da saída do circuito da figura, em volts, é Vo = 4Vi + 1. Os valores correspondentes de R1, R2 e Vr são:
Provas

No circuito da figura, considerando o amplificador operacional ideal, a tensão de saída V0 em função das tensões de entrada Vi1 e Vi2 é dada por:
Provas

A figura mostra um circuito amplificador transistorizado. O ganho de tensão !$ \large{V_o \over V_i} !$ para sinais na faixa de médias freqüências é:
Provas
Num dado amplificador operacional, a tensão do terminal de entrada positivo é de 0,5mV e do negativo é de 0,4mV. Sabendo que o ganho de tensão em modo diferencial do amplificador é 8000 e que a razão de rejeição do modo comum é 100, a tensão de saída, em volts, é:
Provas

No circuito da figura, considere que os diodos apresentam queda de 0,7V quando conduzindo. O gráfico que representa a característica de transferência de Vi para Vo, em Volts, é:
Provas

A figura ilustra um circuito alimentado por uma fonte de tensão senoidal da forma VE(t) = 20 sen(!$ ω !$ t), onde Z1 é um diodo zener de 15 V e D1 um diodo ideal. O sinal de saída Vs(t) deverá ser, aproximadamente, da forma:
Provas
Caderno Container