Magna Concursos

Foram encontradas 2.648 questões.

2181765 Ano: 2010
Disciplina: Segurança e Saúde no Trabalho (SST)
Banca: CESGRANRIO
Orgão: Petrobrás

Qual, dentre as disposições abaixo, NÃO corresponde a uma disposição prevista na NR 10?

 

Provas

Questão presente nas seguintes provas
De acordo com a NR10 (Segurança em Instalações e Serviços em Eletricidade), analise as proposições abaixo.
I - As operações elementares, tais como, ligar e desligar circuitos elétricos, realizadas em baixa tensão com materiais e equipamentos elétricos em perfeito estado de conservação, adequados para operação, têm que ser realizadas por pessoas que possuam o curso de NR10.
II - Os serviços em instalações elétricas energizadas em alta tensão, bem como aqueles executados no Sistema Elétrico de Potência (SEP) podem ser realizados individualmente.
III - Os equipamentos e dispositivos desativados devem ser sinalizados com identificação da condição de desativação, conforme procedimento de trabalho específico padronizado.
Está(ão) correta(s) a(s) proposição(ões)
 

Provas

Questão presente nas seguintes provas
2181763 Ano: 2010
Disciplina: Engenharia Elétrica
Banca: CESGRANRIO
Orgão: Petrobrás
Uma das preocupações da Segurança e Higiene do Trabalho é quanto às condições ambientais do local de trabalho. De acordo com as Normas de ergonomia, NÃO corresponde a um parâmetro que deve ser obedecido em um ambiente de trabalho a(o)
 

Provas

Questão presente nas seguintes provas
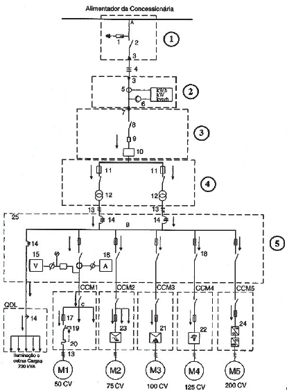
Enunciado 3094929-1
A figura acima mostra o diagrama unifilar, característico de uma instalação elétrica industrial com entrada de serviço subterrânea. Observando-se a numeração indicativa das regiões pontilhadas, numere os elementos abaixo, associando a região ao número indicado na figura.
( ) Posto de Transformação
( ) Ponto de Entrada de Energia
( ) Quadro Geral de Força
( ) Posto de Proteção
( ) Posto de Medição
A ordem correta dos números, de cima para baixo, é
 

Provas

Questão presente nas seguintes provas
Enunciado 3094928-1
A figura acima apresenta um transformador trifásico a óleo mineral, utilizado em subestações de média tensão. Observando- se a numeração indicativa de alguns dos seus elementos externos, numere os elementos abaixo, associando o elemento ao número indicado na figura.
( ) Terminal Primário
( ) Termômetro Indicador de Temperatura
( ) Relé de Buchholz
( ) Terminal Secundário
( ) Válvula de Explosão
( ) Indicador do Nível do Óleo
( ) Válvula de Alívio de Pressão
A ordem correta dos números, de cima para baixo, é
 

Provas

Questão presente nas seguintes provas
2181760 Ano: 2010
Disciplina: Engenharia Elétrica
Banca: CESGRANRIO
Orgão: Petrobrás
Certas ocorrências, verificadas pela manutenção nas visitas de rotina ou pelo próprio pessoal da operação, exigem desligamento imediato. Em alguns casos não pode se permitir demora no desligamento, qualquer que seja o estado de carga da rede ou os interesses imediatos da operação. Dentre as ocorrências abaixo, aquela que NÃO exige desligamento imediato de um transformador, podendo aguardar um prazo, mais curto possível, sem grande prejuízo das condições de exploração do sistema, é
 

Provas

Questão presente nas seguintes provas
O termo condutor elétrico é usado para designar um produto destinado a transportar corrente (energia) elétrica, sendo que os fios e os cabos elétricos são os tipos mais comuns de condutores. A esse respeito, analise as afirmativas abaixo.
I - Os cabos propagadores de chama são aqueles que entram em combustão sob ação direta da chama, mantendo-a mesmo após a sua retirada. Pertencem a essa categoria o EPR e o XLPE.
II – Dependendo do número de fios componentes de um cabo e do diâmetro de cada um deles, um condutor apresenta diferentes graus de flexibilidade de acordo com a classe desse condutor, sendo que, quanto mais alta a classe, menor a flexibilidade do cabo durante o manuseio.
III - Os condutores isolados com isolação de PVC são não propagantes de chama.
De acordo com a Norma, está correto APENAS o que se afirma em
 

Provas

Questão presente nas seguintes provas
A manutenção que ocorre em intervalos de tempo regulares, independente do desempenho do equipamento ou mecanismo, de acordo com um planejamento com base em estudos estatísticos, estado do equipamento, local de instalação, condições elétricas que o suprem, dados fornecidos pelo fabricante, dentre outros, é chamada de manutenção
 

Provas

Questão presente nas seguintes provas
2181757 Ano: 2010
Disciplina: Engenharia Elétrica
Banca: CESGRANRIO
Orgão: Petrobrás
Os ignitores são elementos que atuam gerando uma série de pulsações de tensão para iniciar a descarga. Uma vez que a lâmpada inicie sua operação, os ignitores deixam automaticamente de emitir pulsos. As lâmpadas que necessitam de ignitores são
 

Provas

Questão presente nas seguintes provas
Uma sala 14 m x 10 m será destinada à construção de um laboratório de ensaios de contraprova em materiais e equipamentos. Sabendo-se que a iluminância exigida, para essa atividade, é de 1.500 lux, o fator de depreciação do ambiente é de 0,70, o coeficiente de utilização é de 0,40 e a luminária escolhida contém quatro lâmpadas de 2.500 Lumens cada, o número mínimo de luminárias necessárias a serem instaladas para atender às condições exigidas é
 

Provas

Questão presente nas seguintes provas