Foram encontradas 1.925 questões.

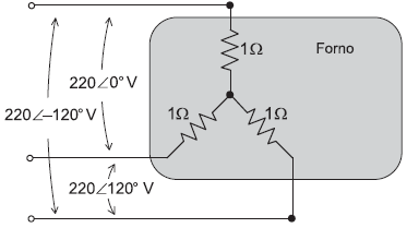
A fonte de calor de um forno elétrico industrial é proveniente de um banco trifásico de resistores de 1 !$ Ω !$ por fase, conforme indicado na figura acima. O forno opera oito horas por dia e é conectado à rede elétrica, cujo valor rms da tensão de linha é 220 V.
Considerando que o preço do kWh é de R$ 0,50, então, o custo diário de operação desse forno, em reais, é
Provas
Questão presente nas seguintes provas

A figura acima mostra um circuito trifásico, composto por uma fonte de tensão simétrica em conexão delta e uma carga equilibrada em conexão estrela.
Sendo o módulo da tensão de fase da fonte de tensão igual a 380 V, o módulo da tensão de fase da carga, em volts, é igual a
Provas
Questão presente nas seguintes provas
Num transformador ideal em funcionamento, a relação entre a tensão e a corrente na entrada (impedância do primário) é de 10 !$ Ω !$, quando uma carga resistiva de 1.000 !$ Ω !$ está conectada ao secundário.
Nesse transformador, a razão entre o número espira do secundário !$ (N_s) !$ e o número de espira do primário !$ (N_p) !$ é
Provas
Questão presente nas seguintes provas

A figura acima mostra o oscilograma da forma de onda da tensão em um determinado nó de um circuito elétrico. Considerando como origem de tempo o ponto 0, indicado na figura, essa forma de onda pode ser descrita em função do tempo, !$ t !$, por uma função !$ y(t) !$, do tipo !$ y(t) = V_m \sin(2 \pi f\, t) !$ volts, em que !$ Vm !$ é dado em volts, e, !$ f !$, em hertz.
Os parâmetros !$ V_m !$ e f, respectivamente, são
Provas
Questão presente nas seguintes provas

Considere o esquema elétrico unifilar da alimentação de um galpão industrial, conforme mostrado na figura acima, em que M são motores de indução, e C é um banco de capacitores. O equivalente da rede elétrica é representado por uma fonte de tensão VREDE em série com uma reatância indutiva XL.
Uma das funções do banco de capacitores ligado ao ponto de conexão comum (PCC) é a de
Provas
Questão presente nas seguintes provas
O gráfico a seguir mostra a curva torque-velocidade de uma carga mecânica em conjunto com a de uma máquina desconhecida. A carga mecânica é acionada por essa máquina.

De acordo com o gráfico acima, a curva torque-velocidade dessa máquina desconhecida é característica de um motor
Provas
Questão presente nas seguintes provas
2190279
Ano: 2011
Disciplina: Segurança e Saúde no Trabalho (SST)
Banca: CESGRANRIO
Orgão: Petrobrás
Disciplina: Segurança e Saúde no Trabalho (SST)
Banca: CESGRANRIO
Orgão: Petrobrás
Provas:
Os equipamentos de proteção coletiva (EPC) servem para proteger todos os trabalhadores de um determinado= ambiente expostos a um tipo de risco.
Como um exemplo de EPC, tem-se a(o)
Provas
Questão presente nas seguintes provas

A figura acima mostra o esquema elétrico do circuito de comando de um motor de indução acionado por uma chave compensadora. C1, C2 e C3 são contatoras utilizadas no circuito de força, enquanto RT1 é o relé temporizador que muda o tipo de alimentação do motor após o tempo de partida da máquina.
Após o acionamento de BON, o contato C2 normalmente aberto (NA) e indicado com a seta é utilizado como
Provas
Questão presente nas seguintes provas

Um técnico eletricista precisa dimensionar o fusível de proteção de um motor de indução monofásico de 2,2 kVA/220 V, que demora 5 s para partir. Considere que a corrente de partida é constante e 6 vezes maior do que a nominal.
Sabendo-se que o fusível não pode fundir-se durante a partida da máquina, o valor de corrente, em A, escolhido para o dispositivo de proteção, deve ser de
Provas
Questão presente nas seguintes provas
A proteção contra choques elétricos é uma exigência da ABNT NBR 5410/2004, por exemplo, em locais que contenham banheira e chuveiro.
O dispositivo que protege contra choques elétricos é o
Provas
Questão presente nas seguintes provas
Cadernos
Caderno Container