Foram encontradas 650 questões.

No circuito da figura acima, as fontes são ideais. Quando uma determinada carga resistiva é conectada entre os terminais x e y, é transferida a máxima potência possível do circuito para essa carga.
Para que isso ocorra, o valor da resistência da carga, em ohms, é
Provas
Questão presente nas seguintes provas

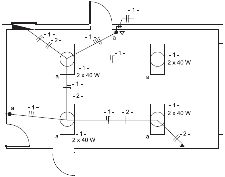
A figura acima mostra, parcialmente, o diagrama elétrico de uma instalação. A tensão de fornecimento dessa instalação é de 220 V fase-fase.
Com relação ao diagrama mostrado, analise as afirmativas abaixo.
I – A tomada de luz baixa, a 30 cm do piso, é alimentada em 220 V.
II – Todos os pontos de luz são acionados simultaneamente.
III – Os interruptores são do tipo intermediário.
Está correto APENAS o que se afirma em
Provas
Questão presente nas seguintes provas
A velocidade, em plena carga, de um motor de corrente contínua em derivação, equipado com um enrolamento de compensação, é igual a 1.200 rpm. Nessa condição, a tensão interna do motor é igual a 300 V.
Sabendo-se que a vazio, a tensão interna do motor é 330 V, então, a velocidade de rotação correspondente, em rpm, é
Provas
Questão presente nas seguintes provas
Um motor de indução de 4 polos opera em plena carga. Esse motor é alimentado por uma rede elétrica cuja frequência é 60 Hz. Sabe-se que, em plena carga, o escorregamento do rotor é de 5 %.
Nessas condições, a velocidade de rotação do eixo do motor, em rpm, é
Provas
Questão presente nas seguintes provas
Um motor síncrono trifásico está alimentado com tensão e frequência nominais, operando com carga plena e fator de potência unitário.
Desconsiderando-se as perdas do motor, qual será o efeito causado pelo aumento da corrente de campo desse motor?
Provas
Questão presente nas seguintes provas
Quais os efeitos no torque de partida e na corrente de partida de um motor de indução, respectivamente, quando há a redução da sua tensão de alimentação, em relação aos parâmetros nominais de torque de partida e corrente de partida obtidos com tensão de alimentação plena?

Provas
Questão presente nas seguintes provas
Considere as informações a seguir para responder a questão.

A figura acima apresenta um circuito principal de partida compensadora de um motor de indução trifásico. Esse circuito utiliza um transformador trifásico com tapes de 100%, 80% e 65%, além de contatoras, fusíveis e relé térmico. O acionamento deve proporcionar a alimentação do motor com 80% da sua tensão nominal de alimentação durante a partida. Após a partida do motor, na operação em regime permanente, o mesmo deve ser alimentado com tensão nominal plena, e o transformador deve estar desenergizado. O fechamento do transformador é realizado através do terminal de referência 0%.
Quais contatoras devem ser acionadas durante a partida do motor e durante a operação em regime permanente do mesmo?

Provas
Questão presente nas seguintes provas

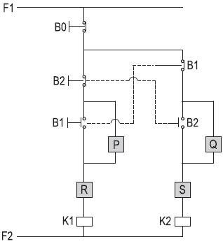
O circuito auxiliar acima é utilizado para o acionamento das contatoras K1 e K2, que serão empregadas em um circuito de reversão trifásico a contator. Os elementos P, Q, R e S devem ser escolhidos de forma a proporcionar o acionamento correto das contatoras. Ao apertar o botão B1, a contatora K1 deve ser energizada para o acionamento do motor em um sentido e, ao apertar o botão B2, a contatora K2 deve ser energizada para o acionamento do motor no sentido reverso. Os elementos P e Q devem ser destinados a manter K1 e K2 acionadas, após os botões B1 e B2 retornarem à posição inicial, respectivamente. Já os elementos R e S devem ser destinados a impedir que as contatoras K1 e K2 sejam energizadas ao mesmo tempo.
Quais contatos devem ser os elementos P, Q, R e S para que o circuito auxiliar funcione adequadamente?

Provas
Questão presente nas seguintes provas

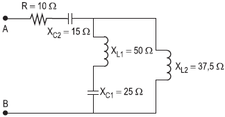
O circuito apresentado na figura acima é composto por uma resistência, dois indutores e dois capacitores. Os valores da resistência, das reatâncias indutivas e das reatâncias capacitivas de cada elemento são indicados na própria figura.
Considerando os elementos ideais, qual a impedância total equivalente, em ohms, do circuito, nos terminais AB?
Provas
Questão presente nas seguintes provas
Um técnico deseja calcular a intensidade de campo magnético produzida pela passagem da corrente elétrica em uma bobina.
Adotando o Sistema Internacional de Unidades, qual unidade deverá ser utilizada pelo técnico?
Provas
Questão presente nas seguintes provas
Cadernos
Caderno Container