Foram encontradas 2.689 questões.

A figura apresenta um circuito em corrente contínua composto por uma fonte de tensão de 5,4 V, quatro resistências com valores de 1 Ω, 2 Ω, 5 Ω e 10 Ω, além de uma fonte de corrente, cujo valor depende da tensão nos terminais da resistência de 5 Ω (if = 2v1).
Qual o valor da corrente, em ampères, fornecida pela fonte de corrente?
Provas
Questão presente nas seguintes provas
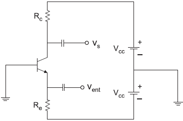
Considere o circuito da figura abaixo.

Com relação ao circuito, foram feitas as seguintes afirmações:
I - A impedância de saída é dada por RC.
II - O ganho de tensão !$ A={ V_s \over V_{ent}} !$ é dado por !$ \mathrm{R_c\over\,r_e} !$, onde !$ r_e \simeq{25mV\over I_{CQ}} !$, e !$ \mathrm{I_{CQ}} !$ é a corrente de coletor no ponto de operação.
III - A impedância de entrada é !$ \mathrm{R_e\,//\,r_e} !$, onde !$ r_e \simeq{25mV\over I_{CQ}} !$, e !$ \mathrm{I_{CQ}} !$ é a corrente de coletor no ponto de operação.
IV - O ganho de tensão !$ A={ V_s \over V_{ent}} !$ é dado por !$ \mathrm{R_c\over\,R_e} !$.
Está correto o que se afirma em
Provas
Questão presente nas seguintes provas

Equipamentos industriais para medição de grandezas, como temperatura, pressão, entre outras, comumente utilizam circuitos com amplificadores de instrumentação, conforme ilustrado no circuito da figura.
Assumindo que os amplificadores operacionais nesse circuito sejam ideais, o valor da corrente ιo é
Provas
Questão presente nas seguintes provas
Um sensor Pt-100 é constituído de uma liga de platina. Possui características construtivas que garantem uma resistência de 100 Ω quando submetido a uma temperatura de 0 ºC.
Para um sensor Pt-100 classe A operando a 350 ºC, seu erro máximo é, em ºC,
Provas
Questão presente nas seguintes provas
O conversor analógico/digital (A/D) é comumente empregado em instrumentos de medição de processos. Um Pt 100, devidamente condicionado, tem uma saída que varia, linearmente, entre 0 e 1 V para uma variação de temperatura de 0 a 100 ºC, e está conectado a um conversor A/D de 10 bits de resolução, que utiliza uma faixa de entrada de 0 a 10 V.
A resolução, em ºC, imposta pelo sistema é, aproximadamente,
Provas
Questão presente nas seguintes provas

Um transmissor de temperatura utiliza, além de outros circuitos, uma ponte de Wheatstone como a apresentada. O elemento sensor é conectado à ponte através de dois fios.
Nesse circuito,
Provas
Questão presente nas seguintes provas

A expressão booleana do circuito acima é
Provas
Questão presente nas seguintes provas
O padrão IEEE 802.1X foi elaborado para possibilitar um eficiente controle de acesso à rede.
Dentre os modos de autenticação suportados, têm-se os seguintes:
Provas
Questão presente nas seguintes provas
A importância dos requisitos de QoS (Quality of Service) para os fluxos de pacotes varia em função do tipo de serviço de rede.
Em particular, as aplicações de tempo real, como videoconferência e telefonia,
Provas
Questão presente nas seguintes provas
As VLANs (Virtual LANs) surgiram como uma solução alternativa ao uso de roteadores para conter o tráfego broadcast, já que as VLANs segmentam as redes locais em diferentes domínios de difusão.
A alteração do formato do cabeçalho do quadro Ethernet para suportar rótulo de VLANs foi proposta no padrão IEEE
Provas
Questão presente nas seguintes provas
Cadernos
Caderno Container