Foram encontradas 2.689 questões.

Duas placas quadradas, de lado L = 20 cm, de materiais distintos e espessuras idênticas d1 = d2 = 5,0 cm estão coladas, como na figura. As condutividades térmicas são k1 = 10 W/(m K) e k2 = 100 W/(m K) e as temperaturas nas extremidades livres são T1 = 630 K (na placa 1) e T2 = 300 K (na placa 2).
A temperatura de equilíbrio T da interface entre os materiais, em K, é
Provas
Questão presente nas seguintes provas
Uma lata fechada contém água sob pressão P = 1,49 x 105 Pa. Um pequeno furo é feito na lata a uma profundidade de 10 cm da superfície da água, como mostra a figura. O jato de água jorra para o exterior, que se encontra na pressão atmosférica.
A velocidade de saída do jato no ponto A, em m/s, é de

Dados: densidade da água ρágua = 1,0 x 103 kg/m3
constante da gravitação g = 10 m/s2
pressão atmosférica 1,0 x 105 Pa
constante da gravitação g = 10 m/s2
pressão atmosférica 1,0 x 105 Pa
Provas
Questão presente nas seguintes provas
- Transformadores e Máquinas ElétricasMáquinas EstáticasTransformadores Trifásicos e Autotransformadores

Uma instalação industrial possui um autotransformador alimentando uma carga com potência nominal igual a 20 kVA, 2.500 / 250 V, conforme o circuito da figura.
Desprezando a corrente de magnetização, a corrente de carga I0, em ampères, é igual a
Provas
Questão presente nas seguintes provas
Em uma indústria de confecções, foi solicitado um teste em um transformador para determinar as perdas no núcleo. O transformador possui 600 espiras no enrolamento primário e, operando em vazio, foi submetido a uma tensão nesse enrolamento de 200 V. Com um wattímetro, verificou-se que a potência consumida foi de 100 W, com uma corrente circulando no enrolamento igual a 2 A. Os dados do fabricante indicam que a resistência do enrolamento primário é igual a 0,5 !$ \Omega !$.
A potência de perdas no núcleo do transformador, em watts, e o fator de potência do transformador a vazio são iguais, respectivamente, a
Provas
Questão presente nas seguintes provas
No desenho correspondente ao projeto de instalação elétrica de uma subestação, deve-se indicar e descrever a simbologia usada, de acordo com a NBR 5444, para facilitar a leitura por quem for consultar a documentação.
Associe os símbolos presentes na NBR 5444 às suas descrições.
P - Disjuntor a óleo
Q - Saída para telefone externo no piso
R - Exaustor
S - Transformador de corrente
T - Refletor
Q - Saída para telefone externo no piso
R - Exaustor
S - Transformador de corrente
T - Refletor
I - 

II - 

III - 

IV - 

Estão corretas a associações:
Provas
Questão presente nas seguintes provas
Um motor de indução trifásico de 4 polos funciona sob frequência de 60 Hz.
Se o escorregamento a plena carga apresenta valor de 5%, a frequência de tensão induzida no rotor no instante de partida e a frequência de tensão induzida no rotor a plena carga, em Hz, são, respectivamente,
Provas
Questão presente nas seguintes provas

Toda carga mecânica, ventiladores, exaustores, bombas compressores, transportadores de correias etc., requer uma determinada potência, isto é, necessita de um determinado conjugado “T” a uma determinada velocidade de rotação “W”, ao ser acionada. Em função de suas características de conjugado versus velocidade, as cargas mecânicas são divididas em grupos.
A curva de conjugado versus velocidade mostrada na figura corresponde ao grupo
Provas
Questão presente nas seguintes provas
Uma quantidade de um gás ideal opera como substância de trabalho de uma máquina térmica, determinada pelo diagrama P × V da figura, onde as unidades são todas SI. A quantidade de calor absorvido por ciclo é 1,0 MJ.

O calor rejeitado por ciclo, em MJ, é
Provas
Questão presente nas seguintes provas

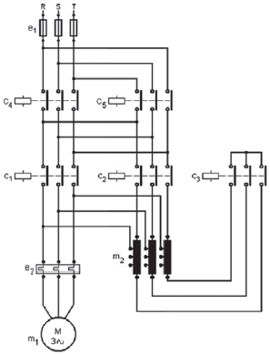
O diagrama trifilar refere-se ao acionamento de motor de indução trifásico, cujo método de partida e funcionamento corresponde a
Provas
Questão presente nas seguintes provas
Um tubo de Venturi mede a velocidade de um fluxo de gás, como mostrado na figura. O tubo por onde passa o gás sofre um estreitamento para metade de seu diâmetro. Uma diferença de pressão entre o fluxo de velocidade V1 (antes do estreitamento) e V2 (depois do estreitamento) é medida pela diferença de altura H da coluna de água no fundo do tubo

Dados:
densidade da água ρágua = 1,0 x 103 kg/m3
densidade do gás ρ = 1,0 kg/m3
constante da gravitação g = 10 m/s2
densidade da água ρágua = 1,0 x 103 kg/m3
densidade do gás ρ = 1,0 kg/m3
constante da gravitação g = 10 m/s2
Sendo que H = 7,5 cm, o fluxo de velocidade V1, em m/s, é
Provas
Questão presente nas seguintes provas
Cadernos
Caderno Container