Foram encontradas 2.827 questões.

Considerando que, no circuito elétrico mostrado na figura acima, todos os componentes são ideais, que a chave S1 será fechada no instante de tempo t = 0 s e que o capacitor está inicialmente descarregado, julgue o item que se segue.
Se a figura abaixo mostra o gráfico da corrente no capacitor em função do tempo, com a chave S2 fechada, é correto concluir que o fechamento dessa chave ocorreu em t = 15 ms e que o regime permanente de funcionamento do circuito será atingido no instante t = 40 ms.

Provas
Questão presente nas seguintes provas

Quanto ao circuito lógico acima, julgue o item a seguir.
Se a entrada P tiver o valor 1, a saída S apresentará, independentemente dos valores das outras saídas, o valor 0.
Provas
Questão presente nas seguintes provas
Um processo a ser controlado possui função de transferência de malha aberta dada por !$ G(s)=\dfrac{K}{s(s+1)} !$, com K > 0. Considerando um procedimento de fechamento de malha com realimentação negativa unitária nessa situação, julgue o item subseqüente.
O processo em malha aberta possui um pólo na origem do plano complexo S, enquanto o sistema em malha fechada não possui este pólo na origem.
Provas
Questão presente nas seguintes provas

A figura acima ilustra um circuito elétrico excitado por uma fonte de tensão v(t), que é ligada no instante t = 0. Nesse instante, tanto a energia armazenada no indutor quanto a armazenada no capacitor é nula. As tensões v1(t) e vc(t) são tensões nodais em relação ao nó de referência e as correntes i1(t) e i2(t) são correntes de malha. Na figura, considerando as malhas e os nós, foi omitida a notação referente à dependência das grandezas com o tempo. A partir desse circuito, julgue o item que se segue.
Se as correntes de malha i1(t) e i2(t) são conhecidas, a corrente i1(t) fluindo pelo indutor pode ser determinada pela diferença entre i1(t) e i2(t).
Provas
Questão presente nas seguintes provas
Circuitos lógicos MSI são dispositivos digitais muito úteis em diversas aplicações. Quanto a esses dispositivos, julgue o item a seguir.
Um decodificador para display de 7 segmentos tem 7 pinos de entrada e 4 pinos de saída, além dos pinos de terra e de alimentação.
Provas
Questão presente nas seguintes provas
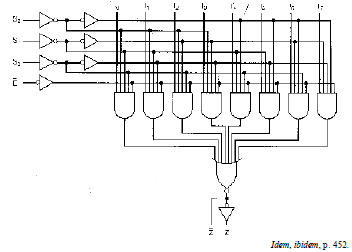
Circuitos lógicos MSI são dispositivos digitais muito úteis em diversas aplicações. Quanto a esses dispositivos, julgue o item a seguir.
No circuito abaixo, que mostra um multiplexador de oito para 1, se o sinal de controle !$ \overline{E} !$ assumir o valor 0 e os sinais S2, S1 e S0 assumirem, respectivamente, os valores 1, 0 e 0, o valor lógico da entrada I4 aparecerá na saída Z.

Provas
Questão presente nas seguintes provas
A álgebra booleana é uma importante ferramenta na descrição e análise de circuitos lógicos. Com relação a expressões booleanas, julgue o item que se segue.
A expressão booleana !$ \overline{A}\overline{B}\overline{C}+\overline{A}BC+ABC+A\overline{B}\overline{C} !$ equivale à expressão booleana !$ \overline{B}\overline{C}+BC !$.
Provas
Questão presente nas seguintes provas

A figura acima apresenta o diagrama de parte de um sistema de automação industrial de acordo com a norma ISA S 5.1. Julgue o item seguinte, com relação a esse diagrama.
No diagrama em questão, uma válvula de três vias é ativada sob o comando de um interruptor automático representado pela sigla HS.
Provas
Questão presente nas seguintes provas
Circuitos lógicos MSI são dispositivos digitais muito úteis em diversas aplicações. Quanto a esses dispositivos, julgue o item a seguir.
No circuito abaixo, que apresenta um decodificador de 3 para 8, quando os bits de entrada A2, A1 e A0 assumem, respectivamente, os valores 1, 0 e 1, o bit de saída !$ \overline{0}_3 !$ assume o valor lógico zero. Para que isso ocorra, as entradas !$ \overline{E}_1 !$ e !$ \overline{E}_2 !$ devem assumir o valor lógico 1, e a entrada E3 deve assumir o valor lógico 0.
Provas
Questão presente nas seguintes provas

No circuito eletrônico mostrado na figura acima, o transistor é de silício, VBB = 10 V, VCC = 15 V, RB = 200 kS, RC = 1 k!$ \Omega !$ e o !$ \beta !$ do transistor é igual a 100. Com relação a esse circuito, julgue o item subseqüente.
A corrente de coletor é cem vezes maior que a corrente de base.
Provas
Questão presente nas seguintes provas
Cadernos
Caderno Container