Foram encontradas 2.276 questões.
Julgue o item abaixo quanto à correta associação entre a grandeza a ser medida e o nome de um instrumento que pode ser usado para esse fim.
Um instrumento indicado para a medição de vazão é o pirômetro óptico.
Provas

Donald P. Leach, Eletrônica digital no laboratório.
Makron Books, 1993, p. 111 (com adaptações).
A figura acima mostra um circuito lógico com duas entradas e duas saídas, conhecido como meio somador. Julgue o item a seguir, acerca desse circuito e dos elementos que o compõem.
Na adição de dois dígitos binários, A e B, a saída da porta AND nesse circuito indica o dígito de “vai um”.
Provas

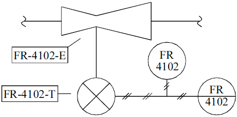
O sistema mostrado acima faz parte de uma linha de alimentação de óleo combustível para uma caldeira. Nesse fluxograma de processo, alguns instrumentos conectados à rede são ilustrados. Julgue o item a seguir, com relação a esses instrumentos e suas formas de controlar o processo.
O sinal enviado do FR-4102-T para os dois FR 4102 é um sinal elétrico.
Provas
Disciplina: Engenharia Eletrônica
Banca: CESPE / CEBRASPE
Orgão: Petrobrás
Na automação de dutos de condução de petróleo, as válvulas são os elementos finais de controle mais comumente utilizados. Nesse sentido, julgue o item a seguir, que tratam de conceitos relacionados às válvulas de controle.
Uma válvula de característica de vazão inerente classificada como “igual porcentagem” apresenta uma relação linear entre o percentual de abertura e a vazão que através dela escoa.
Provas
Disciplina: Engenharia Eletrônica
Banca: CESPE / CEBRASPE
Orgão: Petrobrás

A figura acima representa um circuito digital formado pelas portas U1, U2 e U3 da família TTL, o qual implementa uma função lógica entre as entradas A e B, cujo resultado é apresentado na saída S. Considerando essas informações e a figura mostrada, julgue o seguinte item.
Se, em dado instante, A = 1 e B = 0, é correto inferir que, em algum momento, S = 1.
Provas
Disciplina: Engenharia Eletrônica
Banca: CESPE / CEBRASPE
Orgão: Petrobrás
O LVDT é um sensor de posição que gera em sua saída um sinal AC. O deslocamento longitudinal de um eixo é traduzido em informação que é transmitida a outros circuitos, utilizando-se este sinal AC. A respeito desse sensor e de sua forma de transmissão de informação, julgue o item seguinte.
O LVDT apresenta em sua saída um sinal modulado em amplitude.
Provas
Disciplina: Engenharia Eletrônica
Banca: CESPE / CEBRASPE
Orgão: Petrobrás
Na automação de dutos de condução de petróleo, as válvulas são os elementos finais de controle mais comumente utilizados. Nesse sentido, julgue o item a seguir, que tratam de conceitos relacionados às válvulas de controle.
Existem dois tipos básicos de atuadores pneumáticos a pistão para válvulas: o atuador com deslocamento elipsoidal e o atuador com deslocamento rotativo.
Provas
Disciplina: Engenharia Eletrônica
Banca: CESPE / CEBRASPE
Orgão: Petrobrás
Julgue o item que se segue, relativos a noções básicas de Hidráulica.
Transmissão de energia, lubrificação, dissipação de calor e condução de eletricidade são algumas das funções primárias de um fluido hidráulico.
Provas
Disciplina: Engenharia Eletrônica
Banca: CESPE / CEBRASPE
Orgão: Petrobrás

Uma norma de simbologia de instrumentação que é bastante empregada e que tem abrangência internacional é a ISA S 5.1, estabelecida pela organização The Instrumentation, Systems, and Automation Society (ISA). A norma ISA 5.1 também estabelece símbolos usados na indicação de linhas de instrumentos, a exemplo dos mostrados acima. Com relação a esses símbolos e às linhas de instrumentos por eles representadas, julgue as associações propostas nos itens abaixo.
I — sinal pneumático
Provas

A figura acima ilustra o desenho isométrico de uma interligação entre uma bomba — B1 — e um vaso de pressão — V2. Com relação ao projeto desse trecho de linha, no qual vários acessórios de tubulações foram montados, julgue o item em seguida.
O flange que está conectado ao vaso V2 é um flange da classe 150 MPa de pressão e de face plana.
Provas
Caderno Container