Foram encontradas 120 questões.
A figura abaixo mostra um diagrama básico de funcionamento de um aquecedor elétrico de líquido.

O objetivo do processo é aquecer o líquido (inicialmente na temperatura T e ) até um valor desejado, T R. Sabendo que esse processo deve ser controlado para que a temperatura de saída seja igual a T R , que T e F representam, respectivamente, temperatura e vazão, e que os índices e e s subscritos indicam, respectivamente, entrada e saída, julgue os itens subseqüentes, acerca do controle desse processo.
O controle preditivo desse processo é feito com base apenas na monitoração da temperatura e da vazão de entrada, T e e F e .
Provas

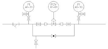
A figura acima mostra o fluxograma de uma estação de redução de pressão em um sistema de água potável. Sabendo que as ligações entre os acessórios, tubos e válvulas desse sistema são rosqueadas, julgue os itens que se seguem.
A redução de diâmetro para a instalação da válvula redutora de pressão tem apenas finalidade econômica
Provas
Considere que, em uma instalação de bombeamento, o mancal da bomba centrífuga esteja com o corpo superaquecido. Acerca das possíveis causas para esse defeito, julgue os itens subseqüentes.
O motor elétrico pode estar com o sentido de rotação invertido.
Provas
O refino do petróleo bruto constitui uma série de operações de beneficiamento para a obtenção de produtos específicos. Refinar petróleo, portanto, é separar dele as frações desejadas, processálas e industrializá-las em produtos comerciais. A respeito dessas operações, julgue os itens subseqüentes.
O resíduo atmosférico do refino, que é obtido na parte superior da torre de destilação atmosférica, após novo aquecimento, é submetido a um segundo fracionamento, no qual são gerados cortes de gasóleos e um resíduo conhecido como óleo combustível.
Provas

As formas de algumas peças não podem ser medidas diretamente. Essas medições exigem auxílio de peças complementares e controle trigonométrico. A figura acima apresenta uma peça com encaixe do tipo rabo-de-andorinha. Acerca dessa figura e do processo de medição com peças complementares, julgue os itens a seguir.
Os eixos-padrão devem ser escolhidos de modo que os contatos com as faces da peça que será medida estejam localizados, de preferência, a meia altura dos flancos.
Provas
O refino do petróleo bruto constitui uma série de operações de beneficiamento para a obtenção de produtos específicos. Refinar petróleo, portanto, é separar dele as frações desejadas, processálas e industrializá-las em produtos comerciais. A respeito dessas operações, julgue os itens subseqüentes.
As cadeias de carbono da gasolina e do óleo dísel têm comprimentos diferentes.
Provas
Trocadores de calor do tipo casco/tubos são utilizados em larga escala. Formas específicas desse tipo de trocador diferem de acordo com o número de passes no casco e nos tubos. Julgue o item abaixo, relacionado a esse tipo de trocador de calor.
Chicanas são instaladas no trocador para aumentar o coeficiente de troca de calor no fluido no lado do casco.
Provas
O refino do petróleo bruto constitui uma série de operações de beneficiamento para a obtenção de produtos específicos. Refinar petróleo, portanto, é separar dele as frações desejadas, processálas e industrializá-las em produtos comerciais. A respeito dessas operações, julgue os itens subseqüentes.
Gás ácido é um dos produtos do processo de refino de petróleo.
Provas

A figura acima mostra o fluxograma de uma estação de redução de pressão em um sistema de água potável. Sabendo que as ligações entre os acessórios, tubos e válvulas desse sistema são rosqueadas, julgue os itens que se seguem.
Os instrumentos PI são pressostatos indicadores.
Provas
Considere as seguintes frases.
I Todos os empregados da PETROBRAS são ricos.
II Os cariocas são alegres.
III Marcelo é empregado da PETROBRAS.
IV Nenhum indivíduo alegre é rico.
Admitindo que as quatro frases acima sejam verdadeiras e considerando suas implicações, julgue os itens que se seguem.
Alguns cariocas são ricos, são empregados da PETROBRAS e são alegres.
Provas
Caderno Container