Foram encontradas 760 questões.
A potência elétrica total de um circuito CC é dada pelo produto entre a tensão de alimentação e a corrente total desse circuito, que, por sua vez, é medida através de um amperímetro em série com a fonte de alimentação do circuito.
Provas
Caso se faça uma medição de corrente elétrica em um circuito AC, o amperímetro medirá a corrente instantânea desse circuito.
Provas
Medir é o procedimento experimental pelo qual o valor momentâneo de uma grandeza física é determinado como um múltiplo e(ou) uma fração de uma medida estabelecida por um padrão e reconhecida internacionalmente.
Provas
Denomina-se processo de medição o conjunto de métodos e meios utilizados para efetuar uma medição.
Provas
A determinação da incerteza do resultado de medição auxilia no controle da qualidade das medições.
Provas

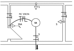
Com base na figura precedente, julgue o item a seguir.
A figura refere-se a um diagrama trifilar, demonstrando os detalhes de todas as conexões e ligações a serem executadas pelo montador.
Provas

Com base na figura precedente, julgue o item a seguir.
A figura apresenta símbolos que estão em conformidade com a norma de símbolos gráficos para diagramas elétricos e refere-se a um cômodo com três lâmpadas.
Provas
No Brasil, os EPI relacionados aos trabalhos em questão restringem-se a capacete, luvas e calçados, não sendo previsto em norma o uso de vestimenta de corpo inteiro.
Provas
Cones de sinalização, mantas isolantes e grades dobráveis são exemplos de equipamentos de proteção coletivos para trabalhos com eletricidade.
Provas
Em relação à segurança do trabalho em circuitos energizados, julgue o item a seguir.
A comprovação de conclusão de curso específico por profissionais na área de elétrica fica dispensada no que se refere à realização de intervenções em instalações elétricas em tensão de até 120 V.
Provas
Caderno Container