Foram encontradas 760 questões.
Julgue o item a seguir, relativos a noções básicas de eletromagnetismo.
O sentido do campo magnético gerado por uma corrente elétrica será sempre o mesmo, independentemente do sentido da corrente elétrica que o gerou.
Provas
Julgue o item a seguir, relativos a noções básicas de eletromagnetismo.
Em uma bobina, o campo magnético de cada anel isoladamente se une ao campo magnético dos filamentos adjacentes, o que reforça e cria um único campo magnético para toda a bobina.
Provas

Se o gerador for ligado a uma carga trifásica equilibrada, então, para suportar a corrente, o condutor neutro deverá ter a bitola igual ao dobro da bitola do condutor de fase.
Provas

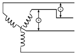
O valor mensurado pelo instrumento A é superior ao valor medido pelo instrumento B.
Provas

O instrumento identificado pela letra A pode ser utilizado para medir a corrente de linha entre duas fases do gerador.
Provas
No que se refere a potência e energia elétrica, julgue o próximo item.
A correção do fator de potência aumenta a capacidade do sistema de transmissão da concessionária no que se refere à condução de potência ativa.
Provas
No que se refere a potência e energia elétrica, julgue o próximo item.
Uma das vantagens da correção do fator de potência é a redução do custo de energia elétrica.
Provas
No que se refere a potência e energia elétrica, julgue o próximo item.
Apesar de produzir trabalho, a energia reativa requer condutores de seção maior nas instalações para a correta operação dos equipamentos elétricos.
Provas
Em circuitos de corrente alternada, a tensão eficaz equivale à metade da tensão pico a pico.
Provas
Uma fonte com 14 V de tensão de pico conectada a um resistor dissipará a mesma quantidade de energia que uma fonte de tensão contínua de 10 V ligada ao mesmo resistor.
Provas
Caderno Container