Foram encontradas 760 questões.
Uma tensão eficaz de 14 V equivale a 10 V de tensão de pico.
Provas
Figura 4A1-II

No circuito II, se L1 queimar, o funcionamento de L2 será interrompido.
Provas
Figura 4A1-II

No circuito I, se as resistências de L1 e L2 forem iguais, então a intensidade luminosa de L1 será maior que a de L2.
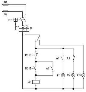
Provas
Figura 4A1-I

Em relação ao esquema precedente, julgue o item que se segue.
O esquema representa um circuito de potência para o acionamento de motor trifásico.
Provas
Figura 4A1-I

Em relação ao esquema precedente, julgue o item que se segue.
No esquema apresentado, os dispositivos identificados como C1, C2 e C3 são fusíveis, os quais se romperão em caso de um curto trifásico, o que protegerá o motor de correntes elevadas.
Provas
Uma das vantagens dos inversores de frequência é a configuração de rampa de aceleração no acionamento de um motor, o que evita partidas bruscas.
Provas
Utilizar fiação blindada para a conexão entre a saída do inversor e o motor é uma das formas de reduzir a interferência eletromagnética gerada por inversores em equipamentos ou circuitos próximos.
Provas
Considerando as tecnologias disponíveis para a iluminação industrial, julgue o item que se segue.
Uma lâmpada de vapor de sódio possui eficiência luminosa menor que a de uma lâmpada halogênea.
Provas
Considerando as tecnologias disponíveis para a iluminação industrial, julgue o item que se segue.
Para evitar o ofuscamento, o nível de iluminância das áreas industriais de soldagem deve ser inferior ao nível de iluminância das áreas gerais.
Provas
No que se refere às instalações elétricas de média tensão, julgue o item subsequente.
O eletrodo de aterramento do sistema de proteção contra descarga atmosférica (SPDA) deve estar conectado à ligação equipotencial principal da edificação.
Provas
Caderno Container