Foram encontradas 2.450 questões.

A figura acima representa uma instalação de bombeamento de água potável, dotada de uma bomba centrífuga (B), que bombeia água do reservatório RA para um reservatório superior, cujo nível de superfície d'água está Hb acima do RA. A superfície d'água do reservatório superior está acima da tubulação de descarga (TD) oriunda da bomba. Considerando essas informações, julgue os itens seguintes.
Considerando que a perda de carga total do sistema seja de 2 m.c.a. (metros de coluna d'água), que Ha seja de 5 m.c.a. e Hb seja de 20 m.c.a., então a altura manométrica total do sistema será de 27 m.c.a.
Provas

A figura acima representa uma instalação de bombeamento de água potável, dotada de uma bomba centrífuga (B), que bombeia água do reservatório RA para um reservatório superior, cujo nível de superfície d'água está Hb acima do RA. A superfície d'água do reservatório superior está acima da tubulação de descarga (TD) oriunda da bomba. Considerando essas informações, julgue os itens seguintes.
Para uma mesma vazão, quanto maior for o valor de Ha, menor será a potência da bomba, pois o afogamento da bomba estará aumentando e, conseqüentemente, a altura manométrica dessa instalação estará diminuindo.
Provas

A figura acima representa genericamente uma instalação de bombeamento dotada de uma bomba centrífuga. A elevação do seu centro está representada pela linha B, e a soma das perdas de cargas corresponde à perda de carga total do sistema com a válvula R.G. totalmente aberta. Quando a válvula R.G. estiver totalmente aberta, a bomba estará operando em seu ponto de eficiência ótima. O fluido (água potável) é bombeado do reservatório inferior (RI) para o reservatório superior (RS). Considerando essa situação, julgue os itens 77 e 78.
Caso o operador da instalação feche parcialmente a válvula R.G, de forma a não se aproximar do ponto de vazão nula, com a bomba em operação, é correto afirmar que as perdas de carga do sistema aumentarão, o que contribuirá para uma redução da vazão bombeada.
Provas

A figura acima representa genericamente uma instalação de bombeamento dotada de uma bomba centrífuga. A elevação do seu centro está representada pela linha B, e a soma das perdas de cargas corresponde à perda de carga total do sistema com a válvula R.G. totalmente aberta. Quando a válvula R.G. estiver totalmente aberta, a bomba estará operando em seu ponto de eficiência ótima. O fluido (água potável) é bombeado do reservatório inferior (RI) para o reservatório superior (RS). Considerando essa situação, julgue os itens 77 e 78.
A altura ha representa a altura dinâmica de aspiração, enquanto a altura ht representa a altura dinâmica de recalque, que, somadas, representam a altura dinâmica total da instalação.
Provas

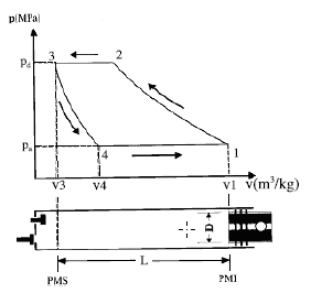
A figura acima representa o diagrama p-v (MPa – m3/kg) de um ciclo de funcionamento de um compressor alternativo, com suas diversas transformações. Com base nessa figura, julgue os itens que se seguem.
Diante da necessidade de um espaço para a instalação das válvulas de admissão e descarga, o pistão não pode atingir o fundo do cilindro durante o seu deslocamento, sendo então necessário o espaço, denominado espaço nocivo ou espaço morto, que é representado na figura acima por v3.
Provas

A figura acima representa o diagrama p-v (MPa – m3/kg) de um ciclo de funcionamento de um compressor alternativo, com suas diversas transformações. Com base nessa figura, julgue os itens que se seguem.
O percurso no gráfico do ponto 1 para o ponto 2 corresponde a uma compressão isocórica, enquanto o percurso do ponto 4 até o ponto 1 corresponde a uma expansão isobárica.
Provas

A figura acima mostra uma placa de sinalização suportada por uma coluna feita de um tubo de aço de seção cilíndrica de diâmetro externo d e parede de espessura t, enterrado no solo. O vento produz uma pressão p contra a placa, que possui dimensões c × l . Considerando os pontos A, B e C localizados na seção de engaste na base, julgue os itens a seguir.
As tensões de cisalhamento devidas a torção são constantes ao longo de toda a coluna e valem
em que J é o momento de inércia polar da secção do tubo e vale

Provas

A figura acima mostra uma placa de sinalização suportada por uma coluna feita de um tubo de aço de seção cilíndrica de diâmetro externo d e parede de espessura t, enterrado no solo. O vento produz uma pressão p contra a placa, que possui dimensões c × l . Considerando os pontos A, B e C localizados na seção de engaste na base, julgue os itens a seguir.
As tensões devidas à flexão do tubo são nulas nos pontos B e C.
Provas

A figura acima mostra uma placa de sinalização suportada por uma coluna feita de um tubo de aço de seção cilíndrica de diâmetro externo d e parede de espessura t, enterrado no solo. O vento produz uma pressão p contra a placa, que possui dimensões c × l . Considerando os pontos A, B e C localizados na seção de engaste na base, julgue os itens a seguir.
As tensões atuantes no ponto A são devidas à combinação de torção com flexão do tubo produzida pelo vento que atua sobre a placa.
Provas
Acerca do esforço cortante e do momento fletor atuantes em vigas, julgue o item a seguir.
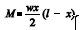
Considere que, para uma viga simplesmente apoiada, ilustrada abaixo, submetida a um carregamento uniformemente distribuído w, o momento fletor é dado por
. Nessa situação, o esforço cortante V satisfaz a relação V = wx.

Provas
Caderno Container