Foram encontradas 130 questões.
Todas são conseqüências políticas e trabalhistas da abertura democrática promovida pelo governo Figueiredo, exceto.
Provas
Questão presente nas seguintes provas
Dentre os fatores responsáveis pela degradação do solo, além da erosão, podemos citar a contaminação por metais pesados, a acidificação, a alcalinidade e a diminuição de nutrientes minerais e orgânicos e a laterização. Sobre estes fatores, podemos afirmar, exceto.
Provas
Questão presente nas seguintes provas
As grandes fontes de referência histórica, para se conhecerem os chamados tempos homéricos, são
Provas
Questão presente nas seguintes provas
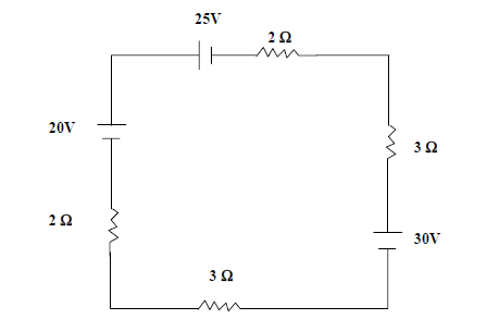
No circuito da figura, a intensidade da corrente é de

Provas
Questão presente nas seguintes provas
Uma dona de casa separou 10 mL de vinagre e adicionou-lhe água até completar o volume de 100 mL. Considerando-se que o vinagre é uma solução aquosa formada principalmente por ácido acético a 4% (isto é, 4 g de ácido acético em 100 mL de água), pergunta-se qual é aproximadamente a concentração molar da solução preparada pela dona de casa?.
(Dado: massa molecular do ácido acético = 60 g/mol)
Provas
Questão presente nas seguintes provas
2373810
Ano: 2007
Disciplina: Literatura Brasileira e Estrangeira
Banca: UPENET/IAUPE
Orgão: PM-PE
Disciplina: Literatura Brasileira e Estrangeira
Banca: UPENET/IAUPE
Orgão: PM-PE
Provas:
FRAGMENTO D
Ana Rosa abanava a cabeça, resignada. O fato provado de que Raimundo consentia sem resistência, e talvez por gosto, em abandoná-la ao mesmo tempo que aumentava nela o desejo de reconquistá-lo e possuí-lo dava ao seu orgulho bastante energia para esconder de todos o seu amor. Supunha-se vítima de uma decepção, julgava o seu amante mais apaixonado e mais violento, e, à vista daquela condescendência burguesa e medrosa, pois Raimundo não se animara a dar-lhe, nem a escrever-lhe, uma palavra depois da recusa de Manuel, ela se julgava desenganada e desiludida. “Se me amasse, como eu imaginava, teria reagido! É um impostor” Um tolo! Um vaidoso, que desejou apenas ter mais uma conquista amorosa!”
FRAGMENTO E
O Freitas olhava com bons olhos este namoro, e só esperava que o moço tivesse nesse mesmo ano um acesso na repartição: havia lá um empregado superior muito doente, que, sem dúvida, bateria o cachimbo por aqueles três meses, e, como Dudu tinha um amigo cujo pai dispunha de bons empenhos para o presidente, dava como certa sua nomeação; tão certa que pensava já no enxoval do casamento, punha de parte alguma coisa do ordenado e convidava os amigos mais íntimos para o grande dia da amarração. De tudo isso o Freitas andava a par. “Diabo era só aquela maldita gordura da menina, que aumentava todos os dias e estava fazendo dela um odre!”
AZEVEDO, Aluísio. O Mulato, São Paulo: Moderna, 1977. p.p. 165-68.
Considerando as características do Naturalismo, os fragmentos D e E autorizam dizer que
Provas
Questão presente nas seguintes provas
Quantos pontos do plano são comuns às curvas !$ {\large x^2 \over 4} +y^2 =1 !$ e !$ (x-1)^2 +y^2 =1 !$ ?
Provas
Questão presente nas seguintes provas
What do you think about reading? Well, I think it’s very important.
Provas
Questão presente nas seguintes provas
Sobre a teoria demográfica Neomalthusiana, é correto afirmar, exceto.
Provas
Questão presente nas seguintes provas
“Estereotipos” equivale a
Provas
Questão presente nas seguintes provas
Cadernos
Caderno Container