Foram encontradas 35 questões.
De acordo com a Lei Complementar nº 861, de 3 de novembro de 2022, que dispõe sobre Código de Posturas do Município de Concórdia, é expressamente proibido em relação às calçadas:
1. depositar lixo ou detritos sólidos e líquidos de qualquer natureza.
2. transitar com qualquer tipo de meio de transporte, inclusive carrinhos de crianças e cadeiras de rodas.
3. estacionar temporária ou permanentemente qualquer tipo de meio de transporte.
4. lavar meios de transporte ou outros equipamentos.
Assinale a alternativa que indica todas as afirmativas corretas.
Provas
Analise as afirmativas abaixo nos termos da Lei Complementar nº 862, de 3 de novembro de 2022, que dispõe sobre normas relativas às edificações do Município de Concórdia (Código de Obras e Edificações).
1. As escadas de uso privativo, restrito do compartimento, ambiente, local ou unidade habitacional, deverão ter largura mínima de 80 centímetros.
2. Somente serão permitidas escadas em leque ou caracol quando interligarem dois compartimentos de uma mesma unidade habitacional.
3. As escadas em leque deverão ter pisada média de 28 centímetros.
4. As escadas deverão assegurar passagem com altura livre igual ou superior a 1,80 metros.
Assinale a alternativa que indica todas as afirmativas corretas.
Provas
De acordo com a Lei Complementar nº 860, de 3 de novembro de 2022, que institui a revisão do Plano Diretor Municipal de Concórdia, o Município adotará, para o desenvolvimento e a gestão do planejamento territorial, diferentes instrumentos de política urbana que se fizerem necessários, especialmente os previstos no Estatuto da Cidade, em consonância com as diretrizes da política nacional, estadual e regional de desenvolvimento.
Nesse sentido, são classificados como Instrumentos Tributários e Financeiros:
1. Lei de Diretrizes Orçamentárias (LDO).
2. IPTU progressivo.
3. incentivos e benefícios fiscais e financeiros.
4. Lei do Plano Diretor Municipal (PDM).
Assinale a alternativa que indica todas as afirmativas corretas.
Provas
Provas
Disciplina: Segurança e Saúde no Trabalho (SST)
Banca: FEPESE
Orgão: Pref. Concórdia-SC
Analise as afirmativas abaixo sobre sistemas de proteção contra descargas atmosféricas (SPDA).
1. As instalações metálicas da estrutura podem ser consideradas condutores de descida naturais somente quando não forem revestidas por material isolante.
2. Estruturas metálicas de torres, postes e mastros constituem descidas naturais, dispensando a necessidade de condutores de descida paralelos ao longo da sua extensão.
3. Os elementos da fachada, como perfis e suportes metálicos, poderão ser utilizados como condutores de descidas naturais.
Assinale a alternativa que indica todas as afirmativas corretas.
Provas
Analise o circuito abaixo considerando que os valores das resistências estão em ohms.

Sabendo que o resistor R é a carga, qual deve ser o valor desse resistor para que ocorra a máxima potência do sistema para a carga?
Provas
Disciplina: Segurança e Saúde no Trabalho (SST)
Banca: FEPESE
Orgão: Pref. Concórdia-SC
Provas
Sistema
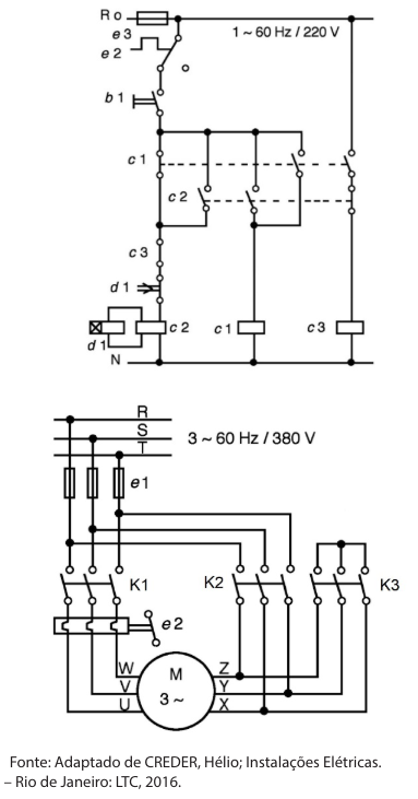
Responda a questão com relação ao sistema de acionamento de um motor de indução trifásico mostrado na figura abaixo.

Provas
Sistema
Responda a questão com relação ao sistema de acionamento de um motor de indução trifásico mostrado na figura abaixo.

Provas
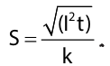
A seção mínima dos condutores não deve ser inferior ao valor determinado pela expressão:

Analise as afirmativas abaixo em relação ao exposto.
1. A variável “I” representa a corrente média em condições normais de operação.
2. O coeficiente k é maior para isolação do tipo PVC em relação à isolação do tipo EPR.
3. O coeficiente k é maior para fios de cobre do que de alumínio.
4. A expressão é aplicável apenas para tempos de seccionamento que não excedam cinco segundos.
Assinale a alternativa que indica todas as afirmativas corretas.
Provas
Caderno Container