Foram encontradas 534 questões.
2068966
Ano: 2021
Disciplina: Estatuto do Idoso - Lei 10.741/2003
Banca: IESES
Orgão: Pref. Palhoça-SC
Disciplina: Estatuto do Idoso - Lei 10.741/2003
Banca: IESES
Orgão: Pref. Palhoça-SC
Provas:
Segundo o Estatuto do Idoso, Lei Federal 10.741/2003,
assinale a alternativa correta:
Provas
Questão presente nas seguintes provas
Qual dos ativos abaixo, presentes no balanço
patrimonial, apresenta maior grau de liquidez:
Provas
Questão presente nas seguintes provas
O lucro obtido por uma empresa com suas relações
operacionais em relação ao capital investido é chamado
de:
Provas
Questão presente nas seguintes provas
A Norma Brasileira NBR 5410 estabelece as condições
mínimas necessárias para o perfeito funcionamento de
uma instalação elétrica de baixa tensão garantindo
assim a segurança de pessoas e animais e a
preservação dos bens. Assinale a ÚNICA alternativa
em que não se aplica essa Norma:
Provas
Questão presente nas seguintes provas
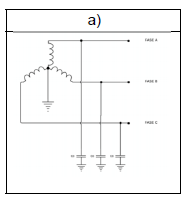
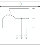
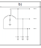
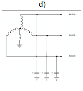
A escolha do método de aterramento a ser utilizado em um projeto elétrico é de grande importância. Para a escolha
do método ideal, são considerados alguns pontos como a existência de cargas monofásicas e, também, é verificada a
necessidade de continuidade operacional da planta, pois alguns destes métodos permitem a operação mesmo
durante a ocorrência de uma falta. O sistema de aterramento que é classificado como flutuante (neutro não aterrado),
esta representada pela figura:
Provas
Questão presente nas seguintes provas
Este tipo de motor CC tem suas curvas características
de velocidade × carga e torque × carga demonstrada no
gráfico abaixo. A velocidade básica é a velocidade com
carga máxima. O ajuste de velocidade é feito inserindose uma resistência no campo usando um reostato de
campo. Numa posição do reostato, a velocidade do
motor, permanece praticamente constante para todas
as cargas. Essas características dizem respeito ao: 

Provas
Questão presente nas seguintes provas
A Eficiência Luminosa é um dos parâmetros utilizados
para medir proporcionalmente a conversão de energia
elétrica em luz. Em outras palavras, esse conceito
verifica o quanto de energia elétrica é convertida em
iluminação durante o funcionamento de uma lâmpada.
Na hipótese de termos: uma lâmpada incandescente de
60W, uma lâmpada fluorescente de 20W e uma
lâmpada de LED de 10W, sendo que cada uma delas
produz 1000 lúmens, assinale a única afirmativa
correta:
Provas
Questão presente nas seguintes provas
Com relação ao projeto elétrico de fornecimento de
energia em baixa tensão para edificações individuais,
assinale a única alternativa que corresponde ao
conceito de uma Caixa de Inspeção:
Provas
Questão presente nas seguintes provas
Um motor trifásico, na configuração estrela, tem uma
corrente de partida de 1A. Esse mesmo motor, na
configuração delta, terá uma corrente de partida no
valor de:
Provas
Questão presente nas seguintes provas
Os transformadores definidos como equipamentos
estáticos com dois ou mais enrolamentos, que
transformam um sistema de tensão e corrente alternada
em um outro sistema por intermédio de indução
eletromagnética, com o objetivo de transmitir potência
elétrica, é denominado de:
Provas
Questão presente nas seguintes provas
Cadernos
Caderno Container