Foram encontradas 370 questões.

A figura acima apresenta um circuito com amplificador operacional, considerado ideal. A fonte de tensão VE é senoidal, com amplitude e freqüência constantes. Para que a defasagem entre os sinais VE e VS seja de 135°, o valor absoluto da reatância capacitiva de C, em k\( Ω \) , deverá ser, aproximadamente,
Provas

O circuito na figura acima apresenta um diodo zener e um amplificador operacional, ambos considerados ideais. O diodo zener é de 8V, e a fonte de tensão VE é do tipo senoidal, com amplitude de pico de 3V. Neste caso, a forma de onda que mais se assemelha ao sinal de tensão de saída VS é
Provas

Nas figuras acima são representadas duas experiências envolvendo voltímetro e amperímetro. Na Figura 1, os instrumentos citados são conectados em paralelo no circuito composto por uma fonte de tensão de 10 volts e um resistor de 2 ohms. Na Figura 2, o voltímetro e o amperímetro estão conectados em série, com o mesmo circuito da primeira experiência. Considerando que os instrumentos são ideais, assinale a opção que corresponde às leituras dos amperímetros, em ampères, e dos voltímetros, em volts.
| A1 |
V1 | A2 | V2 |
Provas
A figura abaixo mostra o modelo de um derivador SHUNT com valores adaptados para facilitar o cálculo.

Usa-se um galvanômetro de bobina móvel de 50 \( Ω \) de resistência interna e 0,2A de corrente de fundo de escala (deflexão máxima). As duas resistências permitem usar o galvanômetro como um amperímetro, com duas escalas: de 0 a 1A e de 0 a 5A, controlados pela chave Ch. Os valores de Ra e Rb, em ohms, respectivamente, são:
Provas
Use a informação abaixo para responder a questão.
Uma certa instalação elétrica monofásica contém quatro máquinas elétricas ligadas em paralelo, todas com fatores de potência indutivos, com as seguintes características:
|
Máquina |
Potência Ativa (kW) |
Potência Reativa (kvar) |
| 1 | 10 | 2 |
| 2 | 3 | 4 |
| 3 | 8 | 6 |
| 4 | 12 | 8 |
Deseja-se que a instalação elétrica apresente fator de potência de 1,0 com todas as máquinas em funcionamento. Neste caso, a potência reativa do banco de capacitores, em kvar, a ser instalado em paralelo com as máquinas, deverá ser
Provas
Use a informação abaixo para responder a questão.
Uma certa instalação elétrica monofásica contém quatro máquinas elétricas ligadas em paralelo, todas com fatores de potência indutivos, com as seguintes características:
| Máquina |
Potência Ativa (kW) | Potência Reativa (kvar) |
| 1 | 10 | 2 |
| 2 | 3 | 4 |
| 3 | 8 | 6 |
| 4 | 12 | 8 |
Sabe-se que, nessa instalação, em qualquer momento do dia, pelo menos três máquinas estarão em funcionamento. Quando a instalação apresentar o menor fator de potência, quais as máquinas que estarão em funcionamento?
Provas

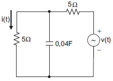
Considere o circuito da figura acima, onde a tensão da fonte é dada pela expressão: v(t) = 10 sen(10t). A expressão da corrente elétrica i(t), em A, é:
Provas

O circuito puramente resistivo mostrado na figura é alimentado por duas fontes DC, gerando três correntes de malha. Aplicando a técnica de solução por corrente nas malhas, obtém-se a seguinte equação matricial linear:
M.I = E onde \( I=\begin{bmatrix}I_1 \\ I_2 \\ I_3 \end{bmatrix} \) e \( E=\begin{bmatrix}1 \\ 0 \\ 2 \end{bmatrix} \)
A matriz M da equação é:
Provas

O circuito apresentado na figura acima encontra-se funcionando em regime permanente. Nesse caso, a diferença de potencial elétrico, em volts, nos terminais do capacitor C, é aproximadamente,
Provas

Sobre o circuito da figura acima, são fornecidos os seguintes dados:
• o resistor R2 vale 80 \( Ω \);
• a potência dissipada em R2 é de 20W;
• a corrente I vale 1,125 A;
• a tensão E3 vale 10V;
• o resistor Rp vale 200 .
Os valores de R1 e R3, em ohms, respectivamente, são
Provas
Caderno Container