Foram encontradas 370 questões.
Para a execução de uma vala de drenagem, será utilizada uma escavadeira que produz, para as condições locais, 20 m3/h. Sabendo-se que serão escavados 100 metros de vala com seção transversal de 40 cm x 60 cm e 50 metros de vala com seção transversal de 40 cm x 100 cm, sem considerar outras interferências, a escavadeira será utilizada, exclusivamente para esse serviço, pelo período de
Provas
A questão refere-se à viga biapoiada nos pontos I e II, a seguir esquematizada.

Com relação à posição do ponto M e sua distância x do ponto II, é correto afirmar que, para 0 < x < \( \ell_1 \), o esforço cortante
Provas
A questão refere-se à viga biapoiada nos pontos I e II, a seguir esquematizada.

O momento no ponto M, para \( x=\ell_{1/2} \) , em valor absoluto, vale
Provas
A questão refere-se à viga biapoiada nos pontos I e II, a seguir esquematizada.

Com relação aos esforços normais, é correto afirmar que
Provas
A questão refere-se à viga biapoiada nos pontos I e II, a seguir esquematizada.

Considerando os esforços nos apoios, em relação ao ponto II, a reação no ponto I tem valor
Provas
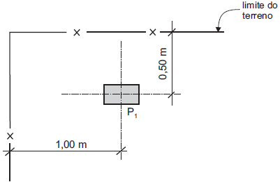
A questão refere-se aos dados e croqui a seguir.

Dados:
- pilar P1 = 20 cm x 40 cm;
- a fundação deverá manter uma distância mínima de 20 cm dos limites do terreno;
- não considerar qualquer valor ou condição não fornecida;
- o pilar é concêntrico à fundação.
Considerando o pilar P1 com os mesmos eixos, mas com medidas 20 cm x 20 cm, o solo com uma pressão admissível \( σ_s \) de 0,5 MPa, e mantidas as demais condições, a maior carga que o pilar P1 poderá depositar sobre uma sapata quadrada (concêntrica), vale, em kN,
Provas
A questão refere-se aos dados e croqui a seguir.

Dados:
- pilar P1 = 20 cm x 40 cm;
- a fundação deverá manter uma distância mínima de 20 cm dos limites do terreno;
- não considerar qualquer valor ou condição não fornecida;
- o pilar é concêntrico à fundação.
A maior sapata retangular possível para a situação apresentada tem sua base com lados, em m, valendo
Provas
Em um traço em volume de concreto foi utilizada uma lata de 20 litros como referência para a unidade de medida. Como foram executados 50 traços de 1:2:3 (cimento:areia:brita), o volume de brita consumido, em m3, foi
Provas
O quadro a seguir apresenta, para cada obra de impermeabilização executada, o tempo utilizado para a prova de carga com lâmina d’água, a fim de verificar a aplicação do sistema empregado.
|
OBRA |
NÚMERO DE DIAS |
| I | 1 |
| II | 2 |
| III | 3 |
| IV | 4 |
| V | 5 |
A(s) obras(s) que realizou(aram) o teste de acordo com o prescrito na NBR 9.574/1986 (Execução de impermeabilização) foi(ram) a
Provas
Segundo a NBR 7.583/1986 (Execução de pavimentos de concreto simples por meio mecânico), nos pavimentos onde é necessário incrementar a segurança à derrapagem, devem ser adotados dispositivos que aumentem significativamente o atrito entre a superfície acabada e a superfície de contato dos pneumáticos do veículo. A esse respeito, considere os seguintes dispositivos:
1 - pente de fio metálico;
2 - vassoura de piaçava;
3 - vassoura de fios de nylon;
4 - tubos metálicos providos de mossas e saliências.
De acordo com a referida norma, a ordem decrescente de eficácia é:
Provas
Caderno Container