Foram encontradas 1.045 questões.
O diagrama em blocos abaixo representa um sistema de controle PID não-interativo.

Os blocos I, II e III estão corretamente identificados em:
Provas
Na figura abaixo estão representados dois circuitos eletrônicos (1 e 2), para duas entradas de um CLP, as quais recebem os sinais K1 (para o circuito 1) e K2 (para o circuito 2), estas que por sua vez são provenientes de dois sensores, cujos circuitos transistorizados de saída são S1 (para o circuito 1) e S2 (para o circuito 2).

Admitindo que os transistores das saídas dos sensores (S1 e S2) operam como chaves (corte ou saturação), ou seja: sensor ativo corresponde a transistor saturado e sensor desativo corresponde a transistor cortado, é correto afirmar:
Provas
Provas
Provas
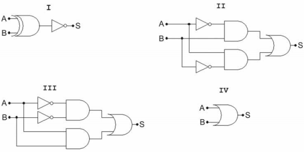
A tabela verdade abaixo, constituída pelas variáveis de entradas binárias A e B, tem como resultante a função binária S.

Pretende-se implementar a função S, e para isso são apresentados os circuitos digitais com portas lógicas a seguir:

Considerando as informações apresentadas acima, é correto afirmar APENAS que:
Provas
Provas
Sobre transmissores inteligentes, considere:
I. Podem se comunicar com sistema de controle por meio de protocolos HART, Fieldbus e Profibus.
II. A calibração, auto diagnose e alteração de parâmetros são realizadas somente no local.
III. Podem processar as informações e corrigir erros de não linearidade do sensor primário.
IV. A instalação pode ser feita a dois fios, ou seja, a alimentação e o sinal de transmissão podem estar no mesmo fio.
Está correto o que se afirma APENAS em
Provas
Provas
Admitindo como condição inicial de calibração que o trimpot esteja inicialmente zerado (RAC = 0 Ω e RCB = 10 kΩ), que
aumente RAC girando o parafuso do cursor de ajuste no sentido horário, então é um dado correto que pode ser inserido na
tabela operacional que está sendo elaborada:Provas
Provas
Caderno Container