Foram encontradas 40 questões.
Considerando os sistemas microprocessados, relacione adequadamente as colunas quanto à classificação.
1. Sistema microprocessado com hardware para aritmética de ponto flutuante.
2. Sistema microprocessado com hardware sem adaptação para aritmética de ponto flutuante.
( ) Tiva – Cortex M4.
( ) Arduino.
( ) FPGA.
( ) Microcontroladores PIC.
( ) Processadores digitais de sinais.
A sequência correta está em
Provas
NÃO representa uma tecnologia fortemente marcada pela quarta revolução industrial:
Provas
Sobre resistência dos materiais, marque V para as afirmativas verdadeiras e F para as falsas.
( ) As forças de superfícies são causadas pelo contato direto de um corpo com a superfície de outro. Em todos os casos essas forças são distribuídas pela área de contato entre os corpos.
( ) As forças de corpo são normalmente representadas por uma única força concentrada que atua sobre o corpo; um exemplo é a gravidade.
( ) A força de cisalhamento é criada quando as cargas externas tendem a torcer uma parte do corpo em relação à outra.
( ) O momento fletor é uma força que atua perpendicularmente à área. É criada sempre que as forças externas tendem a empurrar ou puxar as duas partes do corpo.
( ) O momento de torção é criado quando as cargas externas tendem a provocar o deslizamento das partes do corpo, uma sobre a outra.
A sequência correta está em
Provas
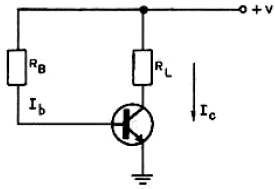
No circuito a seguir, considere RL = 100 ohms; +V = 12V; VBE = 0,7V; e, uma saturação forte, onde Ic/Ib = 10.

O valor de Rb é, aproximadamente:
Provas
“Em um sistema , o pressurizado é produzido por .” Assinale a alternativa que completa correta e sequencialmente a afirmativa anterior.
Provas
Relacione adequadamente as colunas a seguir.
1. Método de relé em malha fechada.
2. Método do modelo interno.
3. Método do ganho e período críticos.
4. Preditor de Smith.
5. Comportamento servo.
6. Comportamento regulatório.
( ) Comportamento realizado pelo controlador do processo mediante distúrbios.
( ) Método utilizado para obter no limite da estabilidade os valores do ganho e período críticos, mas que é inviável em muitos casos na prática.
( ) Comportamento realizado para o controlador para “rastrear o setpoint”.
( ) Método utilizado para obter o ganho e o período crítico sem levar o sistema dinâmico ao limite da estabilidade.
( ) Método utilizado para se obter o controlador dado um desempenho requerido e um modelo da planta a se controlar.
( ) Minimiza os efeitos do tempo morto da planta no controle de malha.
A sequência correta está em
Provas
Sobre sintonia de controladores PID, marque V para as afirmativas verdadeiras e F para as falsas.
( ) Na prática, na maioria dos casos, deve-se buscar uma sintonia mais robusta para malhas de controle; portanto, aquelas obtidas para um degrau no setpoint costumam ser mais indicadas de modo geral.
( ) A ação derivativa do controlador PID é mais indicada para processos ruidosos.
( ) O controlador PID é mais indicado para ser utilizado em processos em que a razão de controlabilidade (ou incontrolabilidade para alguns autores) é maior do que 1.
( ) O método de sintonia de Cohen e Coon é mais indicado para processos com atraso de transporte (tempo morto) mais elevado.
( ) O modelo mais utilizado para métodos clássicos de sintonia de controladores PID é baseado no modelo de primeira ordem mais atraso de transporte (tempo morto).
A sequência correta está em
Provas
Disciplina: Direito da Criança e do Adolescente
Banca: Consulplan
Orgão: SEED-PR
- ECAGeralDireitos Fundamentais (art. 7º ao 69)Do Direito à Educação, à Cultura, ao Esporte e ao Lazer (Art. 53 a 59)
O direito à educação, de crianças e adolescentes, visa seu pleno desenvolvimento, preparo para o exercício da cidadania e qualificação para o trabalho. Nesse sentido, trata-se de um caso em que dirigentes de estabelecimentos de ensino fundamental possuem o dever de comunicar ao Conselho Tutelar:
Provas
As metodologias ativas despontam em um contexto em que a metodologia utilizada pelo docente, além de dar gosto e motivação ao alunado, deve atribuir significado ao que se está estudando e para que se esteja estudando. Assim, acontecerá o envolvimento dos alunos com a aula e, junto a isso, o envolvimento que conduz ao sucesso escolar. O importante é aprender algo que faça sentido: descobrir, por trás das palavras que se constroem significados conhecidos e experimentar o domínio de uma nova habilidade, encontrar explicação para um problema relativo a um tema que se deseja compreender, garantindo que a atenção do aluno ou da aluna se concentre no domínio da tarefa e na satisfação que sua realização supõe. Todas estas considerações sustentam os pilares das metodologias ativas. Considerando tais pilares, assinale a correta a relação conceitual.
Provas
As dificuldades de aprendizagem estão circunscritas a um quadro clínico diagnosticado em um número pequeno de sujeitos que apresenta progressos limitados no aprendizado escolar, apesar de terem as condições necessárias para um bom rendimento no aprendizado. Este quadro evidencia as seguintes características: não apresenta deficiências auditivas ou visuais, recebe estímulos para aprender e estudar, apresenta inteligência suficiente para um desempenho escolar melhor que o demonstrado, frequenta a escola com todas as possibilidades de oferecer bom nível de ensino e está motivado para o aprendizado. Sujeitos assim podem não conseguir se apropriar dos conhecimentos escolares ou, pelo menos, não com a mesma rapidez, mesmo diante dos esforços do professor, de metodologias inovadoras, de uma escola que perceba as situações educativas de forma complexa, desafiadora e interdisciplinar. Alguns fatores relacionados à aprendizagem escolar devem ser descartados antes de se atribuir que tudo isso acontece com o aluno devido a uma dificuldade de aprendizagem. Diante do exposto, analise as afirmativas a seguir.
I. Considerar problemas de “ensinagem”, sabendo que tal perspectiva aponta para a necessidade de se realizar um exame constante e processual sobre o tipo de vinculação que estabelece entre o professor e o educando, cabendo ao professor tomar consciência sobre o poder que exerce e suas responsabilidades.
II. Averiguar questões relacionadas ao macrocontexto social em que o sujeito está inserido, que pode seguir princípios divergentes dos preconizados pela escola.
III. Investigar questões relacionadas ao macrocontexto cultural em que o sujeito está inserido, que pode seguir princípios divergentes dos preconizados pela escola.
IV. Averiguar questões relacionadas ao macrocontexto familiar em que o sujeito está inserido, que pode seguir princípios divergentes dos preconizados pela escola.
Está correto o que se afirma em
Provas
Caderno Container